EasyManua.ls Logo

Sony STR-K885 - Page 39

Sony STR-K885
60 pages
Print Icon
To Next Page IconTo Next Page
To Next Page IconTo Next Page
To Previous Page IconTo Previous Page
To Previous Page IconTo Previous Page
Loading...
39
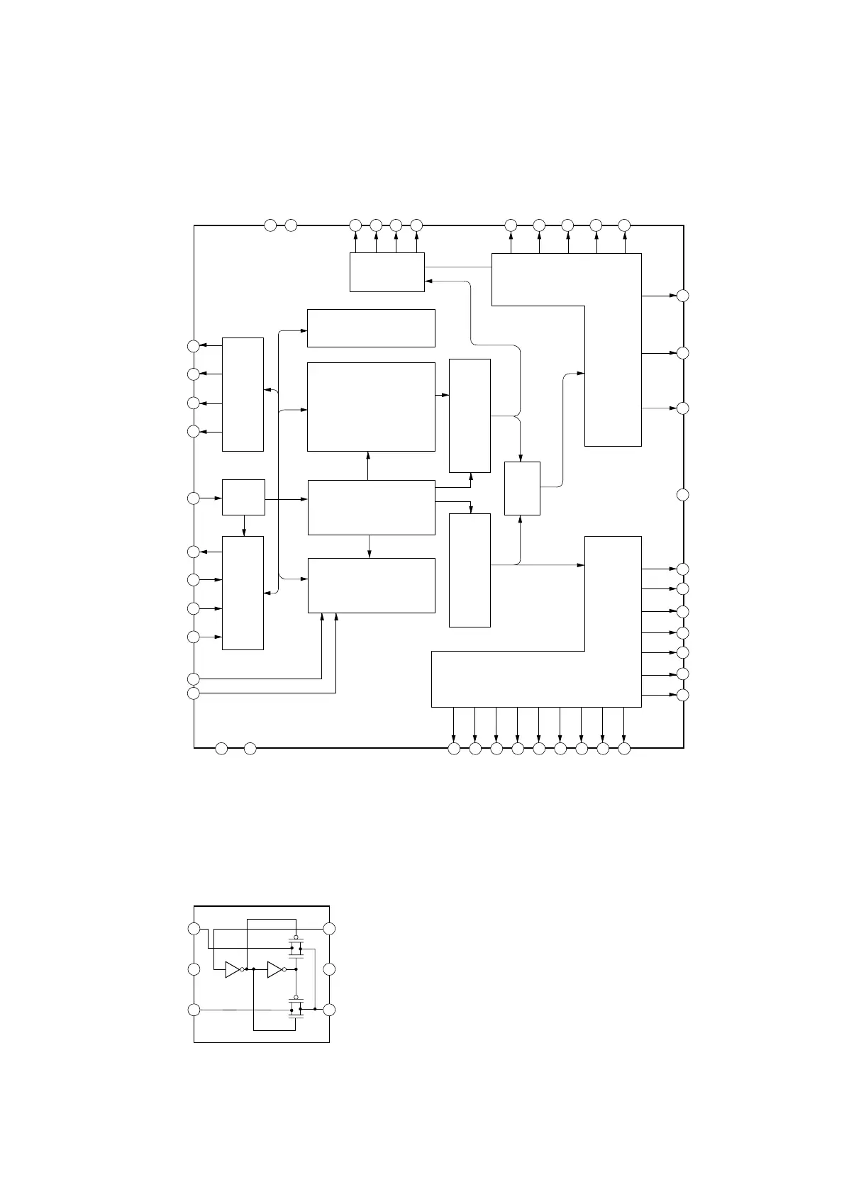
STR-K885
IC100 PT6315
1
2
3
4
5
4-bit latch
24-bit output latch
12-bit shift register
Data selector
6
7
8
9
10
11
12 13 14 15 16 17 18 19 20 21 22
23
24
25
26
27
28
29
30
31
32
33
3435363738
Serial
interface
OSC
Timing generator
key scan
Display memory
24 bits x 12 words
Key data memory
(2 x 16 bits)
Command decoder
segment driver
Grid driver
Multiplexed driver
394041424344
LED1
LED2
LED3
LED4
OSC
DOUT
DIN
CLK
STB
KEY1
KEY2
VSS
VDD
SEG1/KS1
SEG2/KS2
SEG3/KS3
SEG4/KS4
SEG5/KS5
SEG6/KS6
SEG7/KS7
SEG8/KS8
SEG9/KS9
SEG10/KS10
SEG20/GRID9
SEG21/GRID8
SEG22/GRID7
SEG23/GRID6
SEG24/GRID5
GRID4
GRID3
GRID2
GRID1
VDD
VSS
SEG11/KS11
SEG12/KS12
SEG13/KS13
SEG14/KS14
SEG15/KS15
SEG16/KS16
VEE
SEG17/GRID12
SEG18/GRID11
SEG19/GRID10
– HDMI SW Board –
IC5005 SN74LVC1G3157DCKR
1
2
3
6
5
4
B2
GND
B1
S
VCC
A
– DISPLAY Board –