EasyManua.ls Logo

Sony STR-K890 - Video Board IC203 NJM2595 D; Video Board IC304 NJM2586 AL

Sony STR-K890
60 pages
Print Icon
To Next Page IconTo Next Page
To Next Page IconTo Next Page
To Previous Page IconTo Previous Page
To Previous Page IconTo Previous Page
Loading...
40
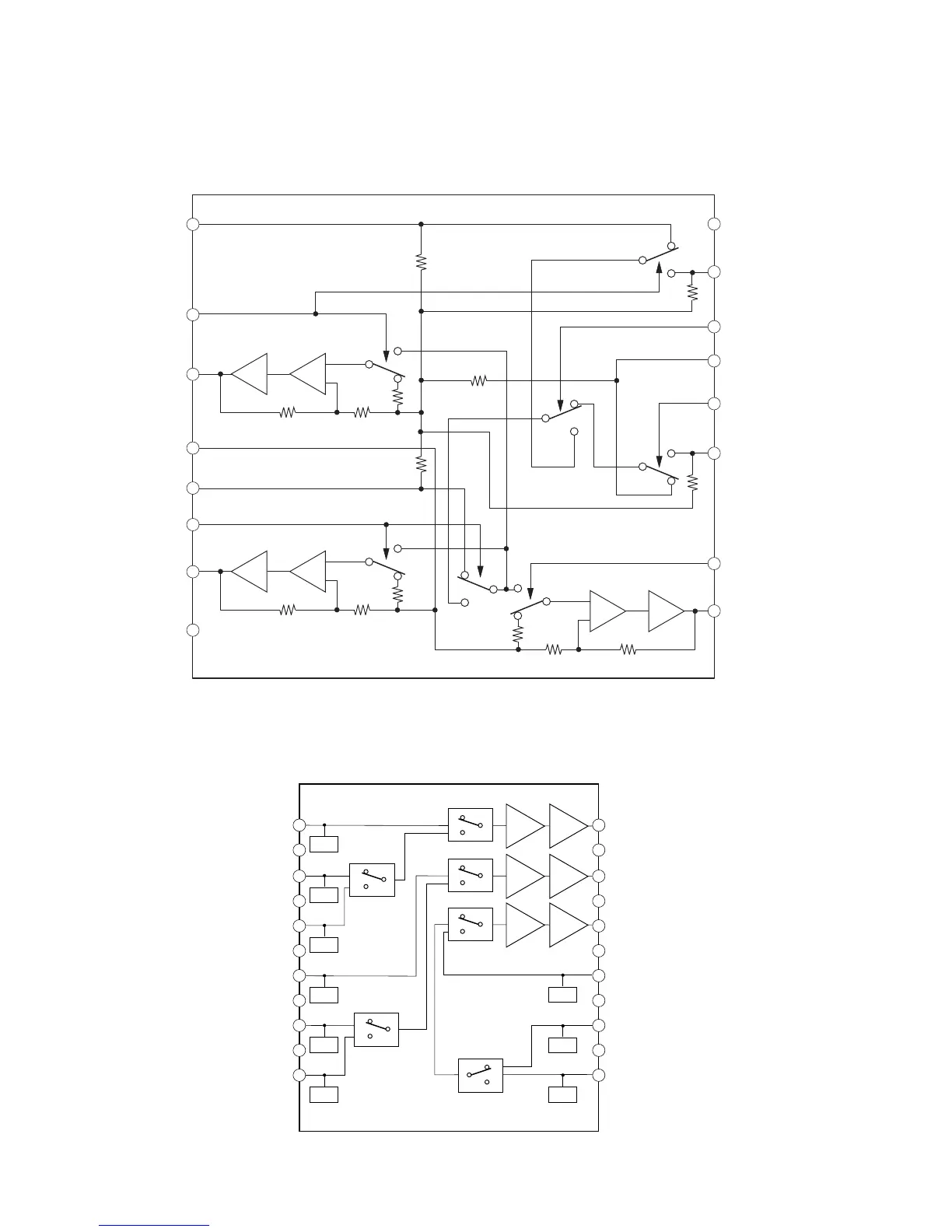
STR-K890
VIDEO Board –
IC203 NJM2595D
6dB
AMP
75
DRIVER
CONT1
CONT2
6dB
AMP
75
DRIVER
CONT1
6dB
AMP
75
DRIVER
CONT1
CONT2
CONT2
1
2
3
4
5
6
7
8
9
10
11
22
21
20
19
18
17
16
15
14
13
12
BIAS
BIAS
BIAS
BIAS
BIAS
BIAS
BIAS
BIAS
BIAS
CH1_IN1
SW1
CH1_IN2
SW2
CH1_IN3
V+1
CH2_IN1
GND
CH2_IN2
GND
CH2_IN3
CH1_OUT
P. S A VE
CH2_OUT
V+2
CH3_OUT
V-2
CH3_IN1
V-1
CH3_IN2
GND
CH3_IN3
2
3
4
5
6
7
8
9
12
11
13
15
16
1
14
10
M.OUT
SW5
DVD
SW3
V2
SW4
NC
VEE
V3
SW2
NC
GND
V1
SW1
VI.OUT
VCC
6dB
Amp
6dB
Amp
75
Driver
75
Driver
6dB
Amp
75
Driver
IC304 NJM2586AL

Related product manuals