EasyManua.ls Logo

Sony TA-S2 - BLOCK DIAGRAM

Sony TA-S2
19 pages
Print Icon
To Next Page IconTo Next Page
To Next Page IconTo Next Page
To Previous Page IconTo Previous Page
To Previous Page IconTo Previous Page
Loading...
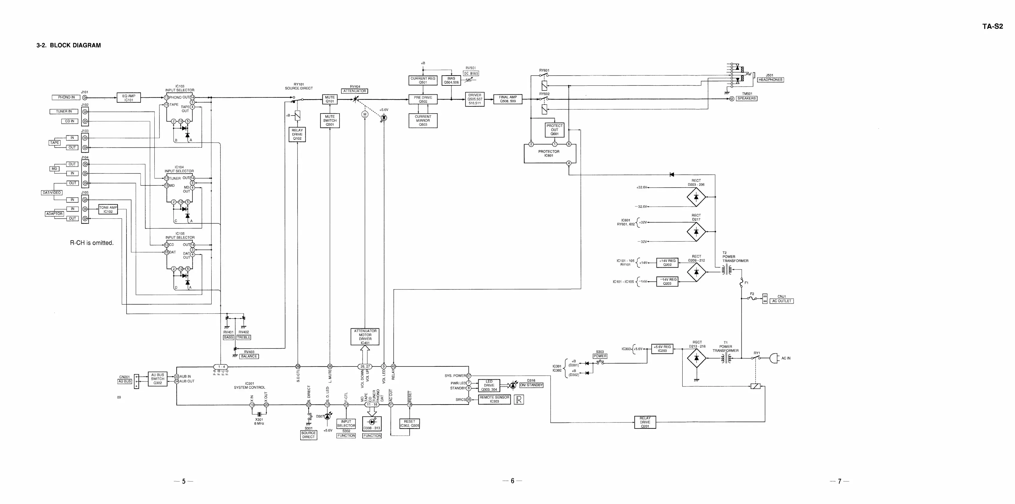
TA-S2
3-2.
BLOCK
DIAGRAM
+B
RV5OI
DC
BIAS
ses
CURRENT
REG
BIAS
SEADEHORIES
ies
Q501
Q504,506
C103
RV404
SOURCE
DIRECT
J101
INPUT
SELECTOR
ATTENUATOR
DRIVER
PHONOIN
|)
——e|
FQ
AMP
O
MUTE
PRE
DRIVE
FINAL
AMP
SpCAKERS
IC104
Qiot
hin
502
aap
Q508,
509
©)
J102
.
Eo,
TUNER
IN
©
Git)
Sage,
FON
iz
“®
CURRENT
cDIN
|
IO
MIRROR
Q503
J103
©)
TAPE
fe
tee.
Ih
ouT||©
PROTECTOR
J104
IC601
OUT
O
(4)
C
IC104
6
INPUT
SELECTOR
RECT
ouT
|
sy
Big
od
+32.
DAT/VIDEO
J105
()
©
—32.6V.
ADAPTOR
ae
()
Ic601
{:
By
D217
RY601,
602
R-CH
is
omitted.
—32V
T2
RECT
POWER
IC101
-
105
{+40
D209
-
212
TRANSFORMER
RY101
3
g
—14V
REG
IC101
-
IC105
{-v
pie
CNJ1
AC
OUTLET
ATIENUATOR
MOTOR
DRIVER
1C401
RECT
TH
+5.6V
REG
D213
-
216
POWER
RV403
$303
20945
1C203
TRANSFORMER
aya
BALANCE
POWER
3|
o—_{
|
AC
IN
1
+B
Lo]
i
G)—49)
ic3o1
_)
(0301)
;
iw
zo
Oo
=
1C302
+B
i
a E
5
wi
<t
5
7
Sx
ai
SYS.
POWER6?)
(D302)
a
2
AO
5
iva
D316
:
n
od
3°?
LED
fy
i
iC304
3
>
PWR
LED(7)
£y
[ON
STANDBY]
DRIVE
ON/
STANDBY)
SYSTEM
CONTROL
5
2
>
>
we
STANDBY)
ies
co
-—Va)
[7
|
5
x
pe
2
w
G2
Fas
it
09
z
3
5
a
O
afasfe
&
We
REMOTE
SENSOR}
|
If)
x<
x
o
n
uw
Sroraqd
|<
oc
SIRCS@5)
1C303
[R
(19)
0)
82
(10)
4)
11-16
87)
(8
|
O
Ny
ay
8
MHz
Ais
INPUT
RESET
DRIVE
1C302,
Q305
Q201
$301
lesendoedl
D308
-
3
+5.6V
$302
SOURCE
DIRECT
FUNCTION
FUNCTION
=
w

Other manuals for Sony TA-S2

Related product manuals