EasyManua.ls Logo

Sony TA-S3 - Power Section Schematic

Sony TA-S3
27 pages
Print Icon
To Next Page IconTo Next Page
To Next Page IconTo Next Page
To Previous Page IconTo Previous Page
To Previous Page IconTo Previous Page
Loading...
TA-S3
1717
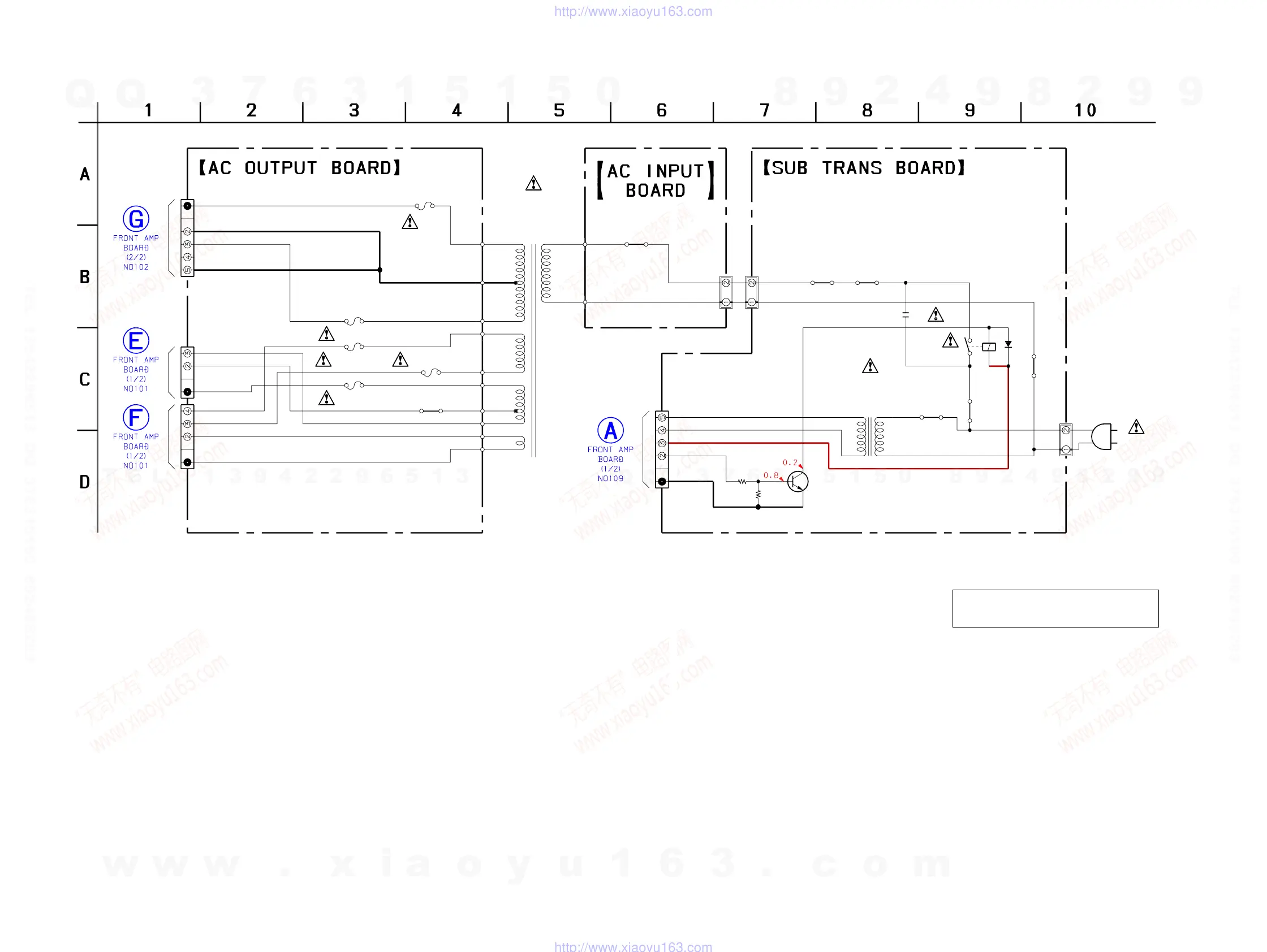
5-8. SCHEMATIC DIAGRAM – POWER Section –
The components identified by mark 0 or dotted
line with mark 0 are critical for safety.
Replace only with part number specified.
JW905
CN902
JW913 JW907
RY901
JW902
D901
CN901
JW903
C901
R902
R901
Q901
CN903
JW922
NO921
F934
JW938
F937
CN915
CN914
F936F935
CN913
F931
T901
T911
2P
1SS133T
2P
0.01
250V
10k
100k
2SC2785
5P
2P
T8AL 250V
T4AL 250V
3P
4P
T2.5AL 250VT2.5AL 250V
5P
T8AL
250V
STBY RELAY
RELAY-UNREG
DGND
SUB-AC
SUB-AC
POWER
TRANSFORMER
(SUB)
NEUTRAL
AC1
AC2
AC2
AC1
VF
VF
NEUTRAL
AC1-GND
AC2-GND
VP
AC3(LOW)
AC3(LOW)
AC4(HIGH)
AC4(HIGH)
(AC IN)
RELAY
DRIVE
POWER
TRANSFORMER
(MAIN)
230 230
(Page 13)
(Page 12)
(Page 12)
(Page 12)
w
w
w
.
x
i
a
o
y
u
1
6
3
.
c
o
m
Q
Q
3
7
6
3
1
5
1
5
0
9
9
2
8
9
4
2
9
8
T
E
L
1
3
9
4
2
2
9
6
5
1
3
9
9
2
8
9
4
2
9
8
0
5
1
5
1
3
6
7
3
Q
Q
TEL 13942296513 QQ 376315150 892498299
TEL 13942296513 QQ 376315150 892498299
http://www.xiaoyu163.com
http://www.xiaoyu163.com

Related product manuals