EasyManua.ls Logo

Sony Trinitron CPD-210GS - Page 19

Sony Trinitron CPD-210GS
39 pages
Print Icon
To Next Page IconTo Next Page
To Next Page IconTo Next Page
To Previous Page IconTo Previous Page
To Previous Page IconTo Previous Page
Loading...
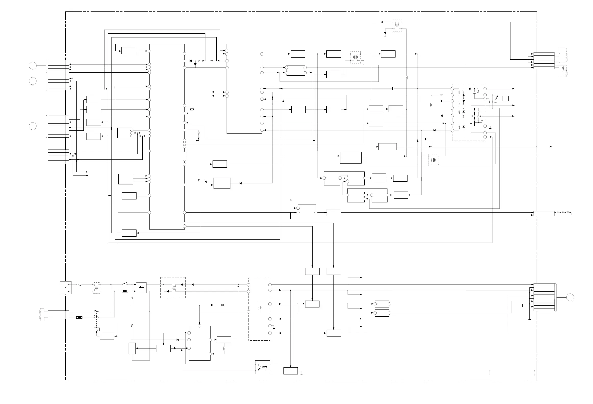
5-3 5-4
CN901
1
+5V
RESET
Q901.902
35
27
H SYNC/O
46BLANK/O
39
17
18
19
16
15 8
14
D904
D903
H DRV
5OUT
3FLYBACK
13V OUT1
12
IC401
V OUT
V OUT2
1HFLB
11EW DRV
5B IN
6B DRV
3BOP
32FOCUS
2XRAY
44OSC//O
45
X901
24MHz
OSC/I
19UFB
SW
Q534
BOP CONT
Q512,513
D509
D517
+12V
3
I
O
I
O
2
1
57
2
IC502 HV REGULATION
IC503 HV REGULATION
3
1
HV REG
OUT
Q510,511
EHT
GENERATOR
Q504
G2 CONTROL
Q531,532
SWITCHING
Q501
B DRIVE
Q515,516
H DRIVE
Q520,521
H DRIVE
OUT
Q502
H DRIVE
Q523,527
T502
HDT
H OUT
Q503
T503
D516
D515
T501 FBT
RV501
HV
ADJ
IC 501
DEFLECTION
CONTROLLER
IC901 CPU
H CENT
Q519
H CENT
DRIVE
Q517,518
L570
L505
HLC
D511
L503
D512
D521
D522
G2 REG
T504
DFT
2
5
11
7
DF AMP
Q530
G2 CONTROL
Q531.532
Q514
7
TILT DRIVE
Q5E2,5E3
IC504
TILT AMP
IC607
+12V REG
IC605
+5V REG
6
1
5
3
+15V
OUT 1
OUT2
OUT 1
-V IN2
+V IN2
+V IN1
6H-SIZE
8
H-DRV
7TEST
5SDA
6SCL
4
H/CENTER
5
VG2
50
49
51
CS0,CS1,CS2
48
CS3
12MUTE
S901
S902
S903
1TILT
15
PMGO
14
PMGI
SCL/D
RESET
V SYNC
1
H DY(+)
CN501
2
H DY(+)
3
H DY(-)
4
H DY(-)
5
V DY(-)
6
V DY(+)
TILT
1
+146V
TO
NECK BOARD
CN305
POWER SUPPLY,DEFLECTION,
CPU
CN504
2
GND
3
+78V
4
GND
5
+6.3V
6
GND
7
+5V
8
GND
9
+12V
10
GND
CN505
TILT(ROTATION)
COIL
TILT
7
+V IN
10
HV
12
11
14
13
1
9
3
2
4
5
6
FV2
TO CRT
ABL
HV
TO CRT ANODE CAP
H.DY
V.DY
FV1
TO CRT
CN502
G2
TO CRT
CN309
1
-V IN
H SYNC
CLBL
H UNLOCK
SCL
SDA
SCL
SDA
SDA/D
PC/DET
CS
H/R IN
V SYNC/O
33
22
28
30
20
32
26
SOG
H SYNC/I
V SYNC/I
TEST
38
SDA
IC902
EEP ROM
SCL
25
MENU/ENTER
+VIN 1
+V IN2
-V IN1
OUT2
OUT 1
+V IN1
-V IN 1
+146V
+78V
+15V
-12V
+6.3V
18
FRONT CONTROL
ABL CONT
Q528,529
BP CLP CONT
Q526
D601
AC RECT
S601
TH601
LF601
LFT
RY601
RELAY DRIVE
Q615
A
R
K
IC606
Q606
D610
D609
IC601
PWM CONTROL
8
?
Vcc
6
SWITCHING
Q602
IC602
VOLTAGE
FEEDBACK
IC603
VOLTAGE
FEEDBACK
R
KA
3
V REF
OUT
I SENSE
1
COMP
2FB
FB603
PFC CKT
T601
(P GND)
D603
D602
D605
D626 D604
D615
+15V SW
CONT
Q610
+6.3V SW
CONT
Q608
+15V SW
Q609
+6.3V SW
Q607
T603 PIT
D616
D617
D618
TH602
RIGHT(+)
24
LEFT(-)
23
ABL
7
DEGAUSSING
13
B
C
2
3
4
5
6
7
8
9
11
SOG BUFF
Q907
H SYNC AMP
Q908
V BLK
Q401
ABL CONT
Q533
SCL
SDA
10
+5V
SCL/D
SDA/D
PC/DET
CS
GND
SDA
SCL
GND
V/R
TO
NECK BOARD
CN303
DGC
AC IN
TO
NECK BOARD
CN306
H/R
V/IN
CN902
H/IN
V BLK
GND
BP CLP
SOG
GND
ABL
1
2
3
4
SDA
+5V
SCL
1
2
3
4
GND 5
CN603
CN601
F601
1
NC 2
DGC1
DGC2
3
CN903
5
6
7
8
54
34
A
TO
NECK BOARD
CN304
37
36
C
D
B-SS3480<U/C>-B/D..-P2-24

Related product manuals