EasyManua.ls Logo

Sony Trinitron CPD-210GS - 5 Diagrams; Block Diagrams (with Frame Schematic Diagram)

Sony Trinitron CPD-210GS
39 pages
Print Icon
To Next Page IconTo Next Page
To Next Page IconTo Next Page
To Previous Page IconTo Previous Page
To Previous Page IconTo Previous Page
Loading...
5-1
5-2
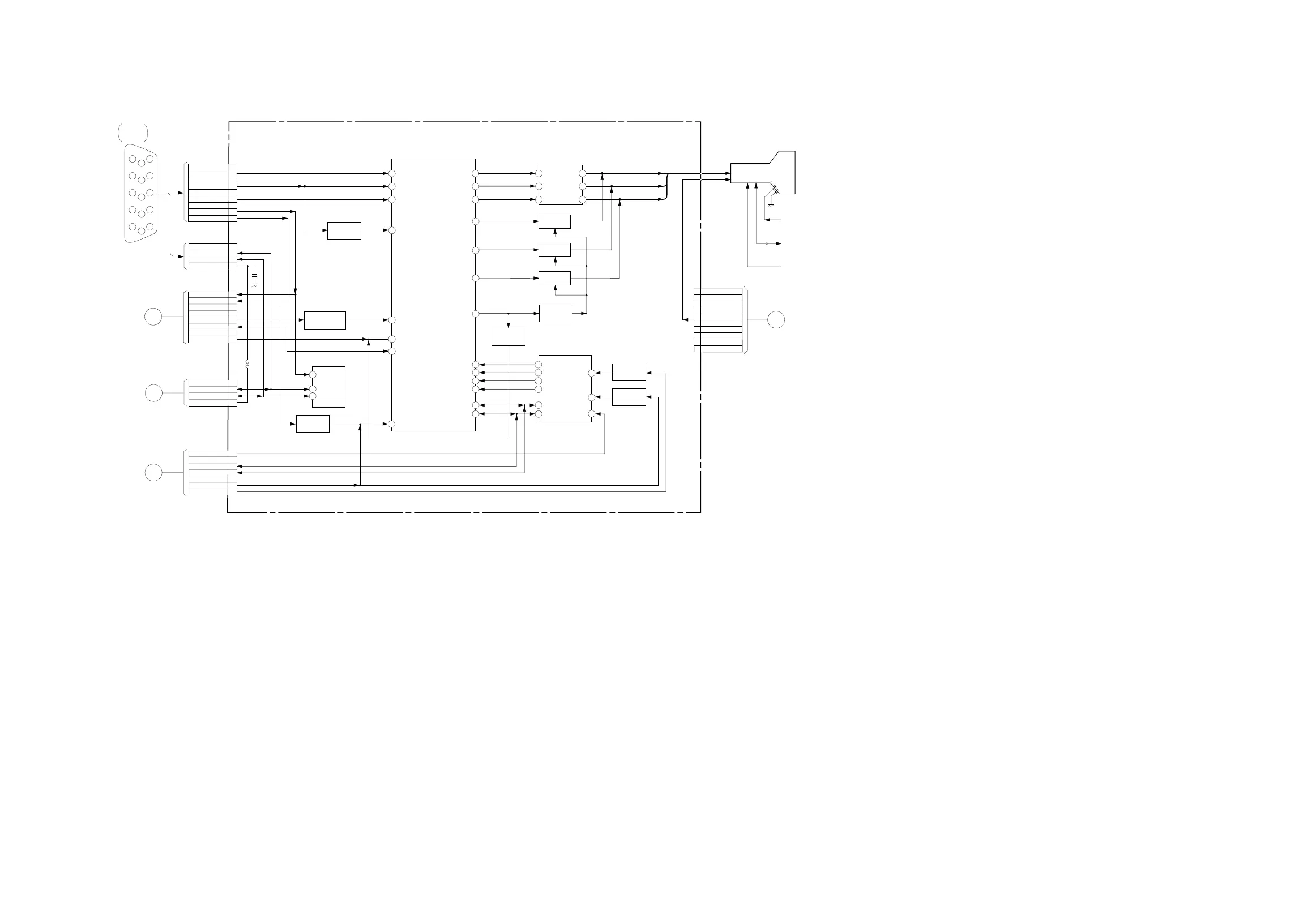
SECTION 5
DIAGRAMS
5-1. BLOCK DIAGRAMS (with FRAME SCHEMATIC DIAGRAM)
CN301
1
2
3
4
5
6
7
8
9
B GND
SIGNAL-IN
D-SUB15
PIG-TAIL
BLUE
G GND
GREEN
R GND
RED
GND
VD
HD
CN304
TO
MAIN BOARD
CN902
TO
MAIN BOARD
CN901
1-4
TO
MAIN BOARD
CN901
5-!¡
1
A
C
2
3
4
5
6
7
8
VS OUT
HS OUT
V BLK
GND
BP CLP
C SYNC
GND
ABL
D
CN303
1
2
3
4
5
6
7
CS
GND
12C SDA
12C SCL
GND
HR TRC
VR TRC
CN302
1
2
3
4
+5V
DDC SCL
DDC SDA
CPU GND
CN306
1
B
2
3
4
+5V
DDC SCL
DDC SDA
CPU GND
+146VS1
2
3
4
5
6
7
8
9
10
CN305
TO
MAIN BOARD
FBT
HV
G2
CN309
G2
FV
TO
MAIN BOARD
CN502
TO
MAIN BOARD
CN504
CRT
R.G.B
HI
NC
+75VS
GND
H1
H2
+5V
GND
+12VS
GND
11
IC001 PRE AMP,OSD MIX
6
32
2
SONG BUFF
Q008
7
19
15
26
4
9
13
1
13
15
17
12
19
4
20
21
5
6
27
25
24
23
18
?
CLAMP AMP
Q001,002
IC004
EEP ROM
V BLK
Q004
1
5
11
15
6
10
414
9
313
8
212
7
6
5
29
35
9
11
IC002
RGB OUT
8
3
1
5
B CUT OFF
Q301
G CUT OFF
Q201
R CUT OFF
Q101
BRIGHT
CONT
Q006
BRIGHT
CONT
Q007
V SYNC
BUFF
Q005
IC003 OSD
VERT
H
CS
R
B OUT
B IN B OUTB IN
G OUTG IN
R OUTR IN
G OUT
G IN
R OUT
R IN
DA4
DA3
DA2
DA1
OSDR
OSDG
OSDB
OSD BLK IN
SCL
SDA
SOGI
CLAMP
ABL IN
SOG OUT
V CLK
SCL
SDA
BLK
G
B
BLK
SCK
SIN
H SYNC
BUFF
Q003
18
(VIDEO)
A
TO
MAIN BOARD
FBT
B-SS3480<U/C>-B/D..-P1-24

Related product manuals