EasyManua.ls Logo

Sony Trinitron KV-28FC60 - Page 31

Sony Trinitron KV-28FC60
89 pages
Print Icon
To Next Page IconTo Next Page
To Next Page IconTo Next Page
To Previous Page IconTo Previous Page
To Previous Page IconTo Previous Page
Loading...
http://cxema.ru
31 32 33
34
TO PICTURE TUBE
HV
TO C BOARD
FV
1
5
RELAY
RY601
3
2
1
CN6620
CN6700
1
2
CN6700
RELAY
RY602
MAIN RECT
D6604
T6601
1
7
6
3
2
5
4
14
12
13
10
8
9
17
15
16
+6.5V RECT
D6619
+10.5V RECT
D6616
+135V RECT
D6617
+4.5V RECT
D6620
+22V RECT
D6618
T6600 PRT
IC603
POWER MODULE
3 1
4
+22V
+135V
+10.5V
+6.5V
+4.5V
IC6654
+5VREG
1 2
IC6667
1 37
5
3
4
+5V
1
4
D
S
C
IC6651
T6651
IC6604
REG OUT
7
5
CN6102
14
A5
B7
A9
B9
B13
A16
B16
B15
A17
B17
A19
B19
A23
A22
B24
B25
A25
B18
E/W
AFC PULSE
EX PARA
RGB AFC
HD IN
DYN FOCUS
VMOD
V PROT
V SAW +
V SAW -
HD2 OUT
HD1 OUT
H SAW
IN PIN
L IN
H CENTER
9
10
13
15
16
17
18
19
H-OUT DRIVE
Q6801
H-OUT DRIVE
Q6802
HDT
T6801
HDT
T6802
H-OUT
Q6803,
Q6804
B20 HP2
A7 HP1
A24
DF DRIVE
A14
IC6801
+
-
1
2
3
7
6
5
Q6805
Q6806
T6805
Q6808
T6804 FBT
5
6
11
1
2
4
7
9
8
10
+15V RECT
D6808
-15V RECT
D6809
-15V
+15V
HV
13
14
FV
DFT
T6852
DF DRIVE
Q6851
1
4
TO C BOARD
CN5601
G2
H
CN6500
6
V+
V-
5
4
3
2
1
H-
H+
V DY
V- DY+
DY ASSY
V- DY-
H DY
H- DY+
H- DY-
1
5
7
IC6700
V-OUT
V OUT
Q6700
CN6611
+200V
+135V
+135V
TO D1 BOARD
CN6601
+135V
1
2
POWER
S7751
F1 ( )
F7626
1
2
1
2
CN7733CN7633 CN7700
+200V RECT
D6805
CN7611
FOR
CHECK
1
2
AC IN
AC IN
DGC
DGC
DGC
CHECK
DGC CHECK
CN6600
ABL
AMP
Q6809
Q6810
+
-
TO A BOARD
CN1602
AC FILTER FUSE
F2 ( )
POWER SWITCH
D ( )
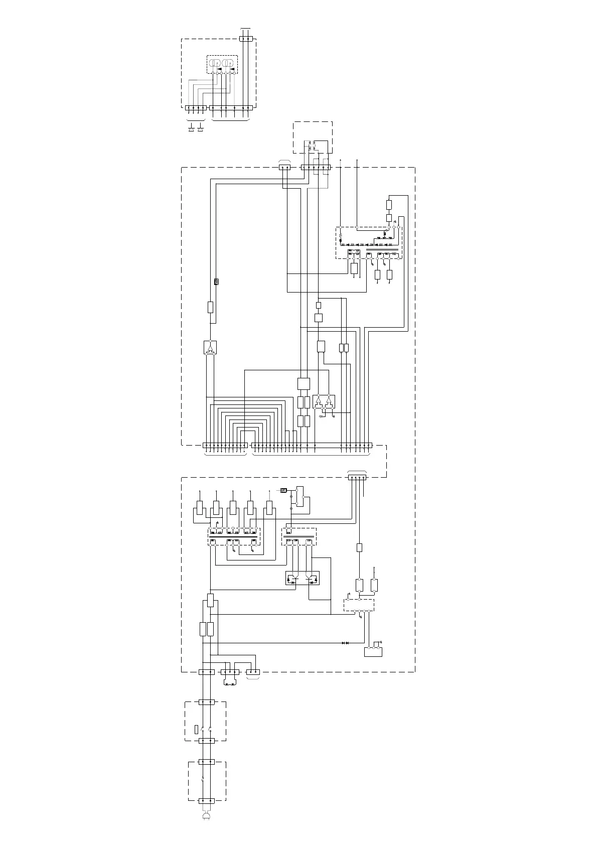
POWER SUPPLY AND DEFLECTION
2
15
1
9
11
13
CN6101
TO A
BOARD
CN1601
Q6667
+5V
STANDBY
OVER CURRENT PROT
OVER VOLTAGE PROT
AC ON/OFF
TO
A BOARD
CN1701
5
6
7
8
4
3
1
3
4
3
2
1
GND L
LEFT AUDIO
GND R
RIGHT AUDIO
CENTER AUDIO
GND C
TO
SUBWOOFER
CN7988
CN7977
CN1701
J7952
SPL
SPR
3
1
2
6
4
5
U ( )
AUDIO INTERFACE /
OUTPUT
GND L
L OUT
GND R
R OUT
5-1. BLOCK DIAGRAMS (1)

Related product manuals