EasyManua.ls Logo

Sony Trinitron PVM-1353 - Page 53

Sony Trinitron PVM-1353
102 pages
Print Icon
To Next Page IconTo Next Page
To Next Page IconTo Next Page
To Previous Page IconTo Previous Page
To Previous Page IconTo Previous Page
Loading...
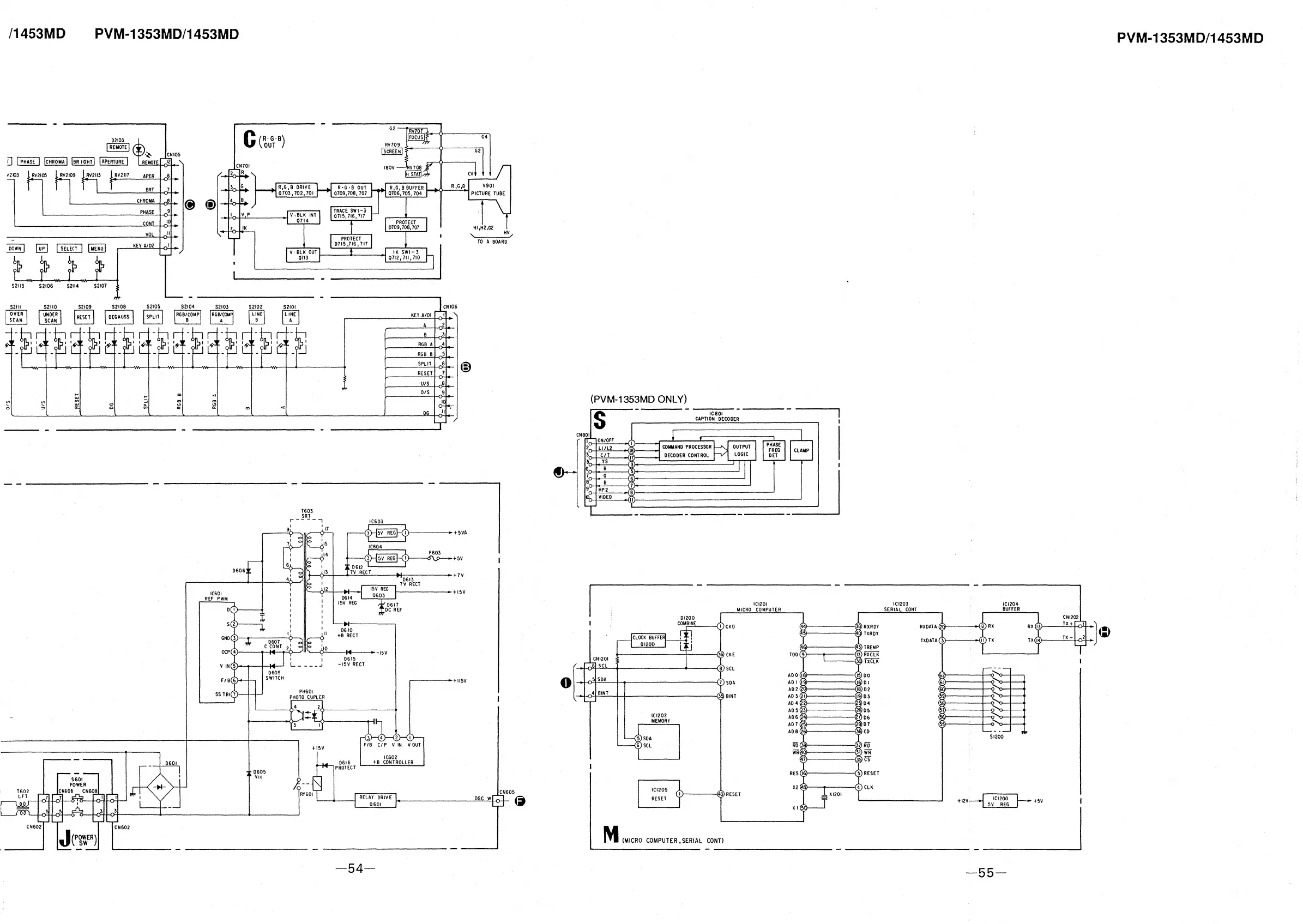
/1453MD
PVM-1353MD/1453MD
02103
I REMOTE I
Q I PHASE I !CHROMA I !BRIGHT! !A~ERTURE I
V2103
R\'21011
S2113 S2106 S2114
RV211l
S2107
"'
0
RV2117
..
"'
..
IC601
REF PWM
C (i·u;·
9
)
V p
IK
0605
Vet
R.G,B DRIVE
0703,702,701
V,BLK INT
0714
V·BLKOUT
0113
R•G•B OUT
0709, 708, 707
TRACE
SWl-3
0715, 7l6, 717
PROTECT
0715
1
716, 7H
0610
+B RECT
G2
IBOV 70&
[illil
R,G
1
8 BUFFER
R,G,B
0706 705
704
IK SWl-3
0712, 711,710
©
, ,-.-----+ 5VA
0617
OC REf
+5V
f4 -15V
0615
-15V RECT
..-----+115V
-54-
G4
TO A 80ARO
o[
CN605
(j
(PVM-1353MD ONLY)
ICBOI
CAPTION
DECODER
-
1c1201
I
MICRO COMPUTER
01200
,hCKO
I
COM81NE
'
r-focK aur•EH El
0,200 L E.i
CNl201
CKE
~
SCL
8JSCl
J,
-1 SDA
SOA
4 BfNT
IIINT
-
IC\202
MEMORY
'--
5 SOA
......._
6 SCL
I
ch
ICl205
RESET
RESET
T
M {MICRO COMPUTER. SERIAL CONTI
-
(4
TOO 9
I
ADO I
AO I t
ADZ
AOl I
AO
4
2
A05 3
AD6
AD7
5
AOB
iiii
Wff
RES 16
X2
lmo1
µ
XI~
PVM-1353MD/1453MD
-
IC\203
IC\204
SERIAL CON.T
BUFFER
RXOATAl
tRX
RX~
CN1202
RXRDY
u+r'.il
;
TXROY
TXOATAJ
tx-1 J
If TX
1'\I<
iTREMP
T
'
RXCLK
l TXCLK
I
-.
I 00
01
I
Th~!
04
05
06
07
co
---
Sl200
iio
I WR
J»ff
fRESET
fCLK
+IZV~ +5V
I
5V REG
-55-

Table of Contents

Related product manuals