EasyManua.ls Logo

Sony Trinitron PVM-1353 - Page 73

Sony Trinitron PVM-1353
102 pages
Print Icon
To Next Page IconTo Next Page
To Next Page IconTo Next Page
To Previous Page IconTo Previous Page
To Previous Page IconTo Previous Page
Loading...
i
i
!
p 21
22
23
24
25 26 27
~----
-------------
i
I
l
r---
1
\
----
m !Ill
~
...
D2101
.
,.,
TLYl23
"W.'' ..... J
I
/W,1/Js
l
I
I
I
I
II
~¼.~l
I} 1111 f
ri.!I r
,r
I
!
I
I
!
i9
!
fAI
1
·\ia111
... >.!J
,nr
-
L
ll6ZI
ti
tSV
cl°'
I -II
-1sv
7V
6MB TO A 13/3) BOARD
,__ __ NC _ _, CN504
!IGC SW
1-:+-......_--ITO O BOARD
CN311
-----------
1 ·
I
&
:s-ttli!iio
12 REMOTE
II VOL
"
CONT
9 PHASE
8 · CHROMA
7 BRT
'
APER
5
8Nf)
- 4
12V
3
Giff)
2 SY
-1
ICEY A/fl2
I
Cl/Ir
,N1i!lio
... 1
ICEY A/fll
2
A
3
B
4
RGIA
5
11GB B
'
SPLIT
7
RESET
8.
U/S
!I 0/5
ti NC
II
fl8
I
TO All/3l BOARD
CN402
TO All/31 BOARD
CNI02
.--------17 AC IN
"
.___ ..... 5 AC IN CNl.08
1-,~~....:.;.;.._---1
~
..----'3 AC OUT :YH
._2__._ ___ _.....TO G BOARD
------1 AC OUT CN602
DOOi
SEL4410E-D
LEO-.J
~
~~
:5-NICRO
W~~J.::J!- ...2.!:!:!t!.!!!l:::.!!--..f 3 12V
.._i-,;.:::;.;.. __ __.
TO A 11/3) BOARD
CNI04
(PVM-1353MD ONLY}
1_- --
1 j RIDI
IC801. ,..,.._ _________ -_!
Z8622812PSC "CAPTION DECOROER ( I
..
LL.Nl-,~UlC::C!)ll:INO>loll-
CN80l ~!!;
~
u l'i; >- d_
~
in :.;!
~
l3P _ ::c _ 1Z1 llJ
WHT .J > a::
BTDB-S O > 1
ltl U)
TO A 11/31 BOARD
CN305
Cfo13 \rJ C818
;FLRSG ,'liJs
l
.j
. ...
I
L
I
I•
I
I
tr: S I
!CAPTION :e:~
28 29
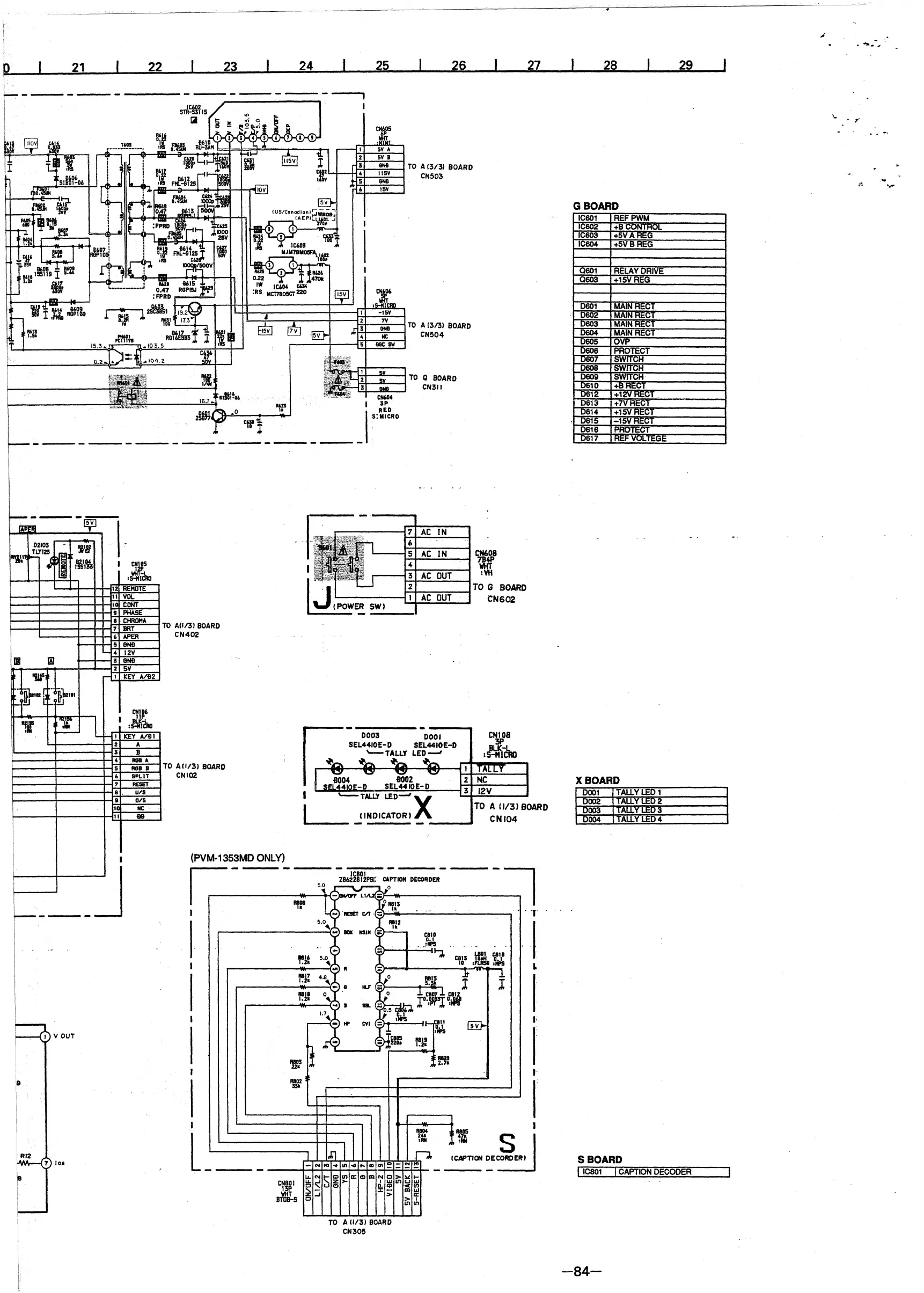
GBOARD
IC601
REFPWM
IC602
+B
, ... ,,.
IC603
+SVA.t1t:.u
IC604
+SVBREG
0601
RELAYDRI"'"
0603
+15V REG
0601
MAINRECT
D602
MAINM>-CT
D603
MAINRECT
0604
MAINRECT
D605 OVI
0606
PRC
1TECT
U61l7
·sw1
'"'"
D608
SWI
ICH
D609 SWITCH
ut>10
+BRl:Cl
0612
+12VRl:Cl .
}613
+7VREC1
)614
+15Vt1t:.l,I
>615
-15VRECT
m16
PROfECT
D617
REFVOLlEGE
XBOARD
SBOARD
! IC801 j CAPTION DECODER
.;.....84-
....... "'
...
-~

Table of Contents

Related product manuals