EasyManua.ls Logo

Sony VPL-CS1 - Page 94

Sony VPL-CS1
120 pages
Print Icon
To Next Page IconTo Next Page
To Next Page IconTo Next Page
To Previous Page IconTo Previous Page
To Previous Page IconTo Previous Page
Loading...
VPL-CS1
4-074-278-11 (1)
C:\MUN\Data\FM\VPL-CS1\VPL-
CS1.nouhindata\407427811VPLCS1WW\04ES-VPLCS1WW\04set.fm
masterpage:Izquierd
a
ES
14
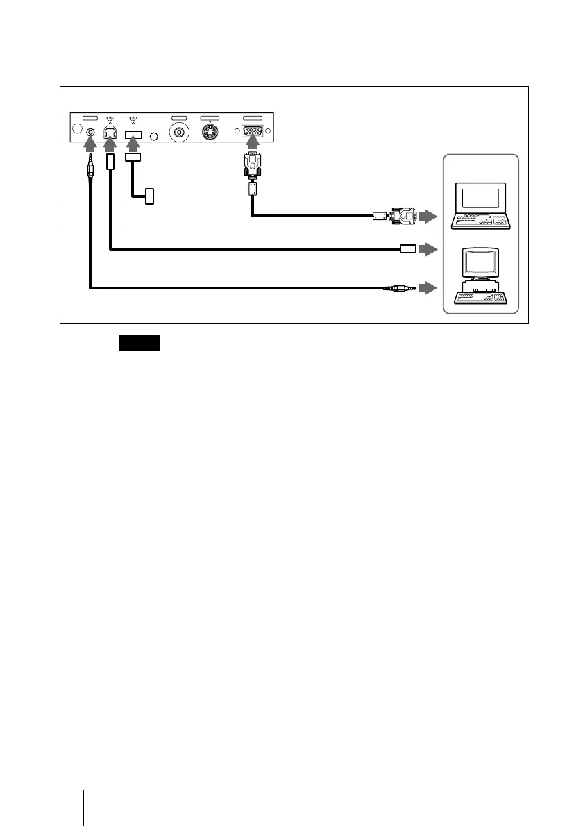
Conexión del proyector
Para conectar un ordenador compatible IBM PC/AT
Si utiliza un ratón USB y un equipo USB
Si utiliza el software de aplicación suministrado, conecte el ordenador
como muestra la anterior ilustración. Este software de aplicación y la
función hub USB pueden utilizarse en un ordenador que disponga del
modelo preinstalado de Windows 98.
Puesto que el proyector reconoce el ratón USB cuando el ordenador es
conectado al conector USB, no conecte nada al puerto de ratón PS/2.
Es posible que el ordenador no se inicie correctamente si está conectado
al conector USB del proyector mediante el cable USB. En este caso,
primero desconecte el cable USB, reinicie el ordenador y, a
continuación, conecte éste al proyector con el cable USB suministrado
con el proyector.
Sobre la función hub USB
Al conectar por primera vez el proyector a un ordenador mediante el cable
USB, dicho ordenador reconocerá automáticamente los siguientes
dispositivos.
1
Hub USB (uso general)
2
Dispositivo de interfaz USB (función de ratón inalámbrico)
3
Dispositivo de interfaz USB (función de control de proyector)
Exceptuando los dispositivos anteriormente mencionados, el ordenador
reconoce el dispositivo conectado al conector de flujo de entrada del proyector.
Notas
INPUT AS VIDEOVIDEOMOUSEAUDIO
Equipo USB
Cable USB tipo A tipo B (suministrado)
Cable de conexión de audio estéreo (no suministrado)
Cable HD D-sub
de 15 pines
(suministrado)
a conector USB
a salida de
monitor
a salida de
audio
Ordenador
Lateral posterior

Table of Contents

Related product manuals