EasyManua.ls Logo

Spearhead Excel 606 - Hydraulic Diagram

Default Icon
64 pages
Print Icon
To Next Page IconTo Next Page
To Next Page IconTo Next Page
To Previous Page IconTo Previous Page
To Previous Page IconTo Previous Page
Loading...
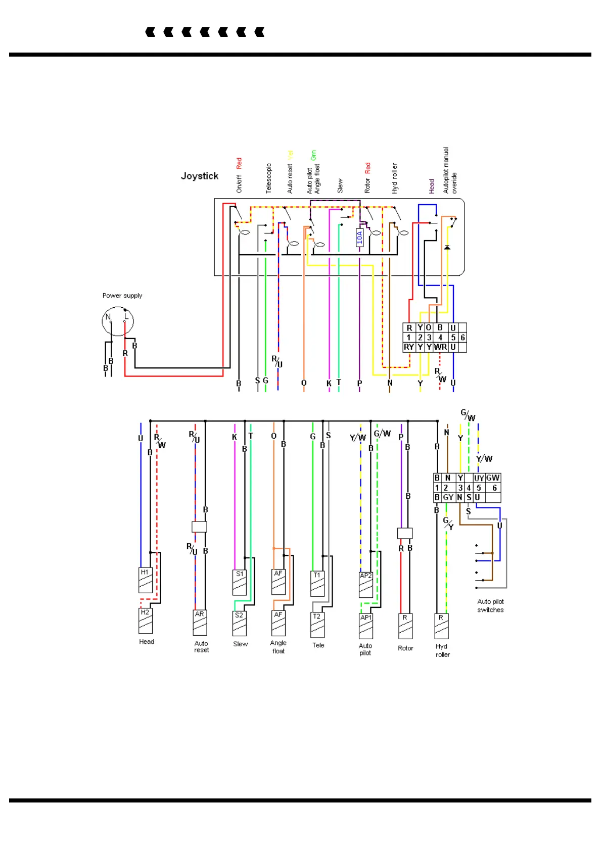
Hydraulic Diagram
Spearhead
B - Black
W - White
T Turquoise
S Slate
R Red
O Orange
U - Blue
N Brown
K - Pink
Y - Yellow
G Green
P - Purple
Excel 606, 686, 726 & 836
60

Related product manuals