EasyManua.ls Logo

Spectra 1738 - Page 38

Default Icon
40 pages
Print Icon
To Next Page IconTo Next Page
To Next Page IconTo Next Page
To Previous Page IconTo Previous Page
To Previous Page IconTo Previous Page
Loading...
Spectra 1728/EX & 1738/EX - 38 - Programming Guide
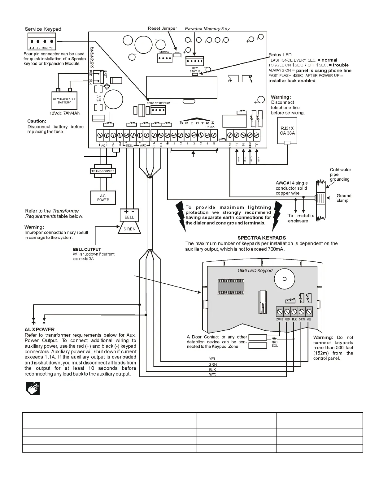
SPECTRA 1728EX AND 1728 PCB LAYOUT
* Not verified by UL.
Transformer Requirements Table
Transformer: Amseco XP-1620
16 VAC 20VA*
Recommend: 16VAC 40VA
UL: Basler BE156240CAA007
Spectra DC Power Supply rated at: 1.2A 1.5A
Auxiliary Supply can provide a maximum of: typ: 600mA, max: 700mA typ: 200mA
Acceptable Battery Charge Currents (secti on [127] op ti on [5]) 350mA 350mA/700mA
For the keypad’s zone, EOL and tamper
configurations, refer to page 3.
Se e “Con ne cting Fire
Circuits, Keyswitches and
PGMs” on page 37.
Refer to “Single Zone
Inputs” or “Double Zone
In pu ts on pa ge 36 .
For UL Listed warnings, refer to the UL and ULC Warnings section in the Spectra Reference & Installation Manual.