EasyManua.ls Logo

Spirax Sarco PP5 Series - Page 8

Spirax Sarco PP5 Series
20 pages
Print Icon
To Next Page IconTo Next Page
To Next Page IconTo Next Page
To Previous Page IconTo Previous Page
To Previous Page IconTo Previous Page
Loading...
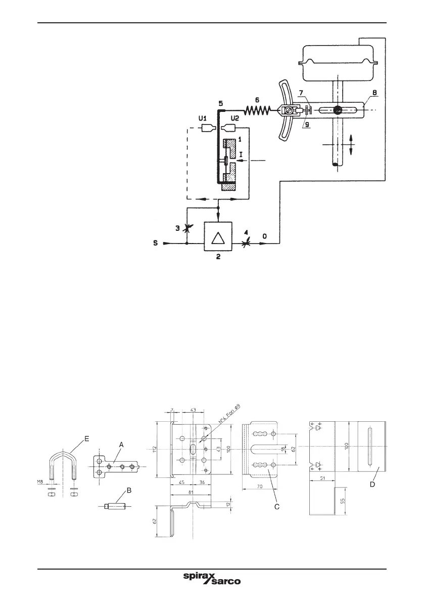
8 3.568.5275.906
1 =
Ricevitore 0,2 ÷ 1 bar (3 ÷ 15 psi)
Receiver 0.2 to 1 bar (3 to 15 psi)
2 =
Relè amplicatore
Amplier relay
3 =
Oricio calibrato regolabile: taratura sensibilità
Adjustable orice: sensitivity setting
4 =
Dumping: Regolazione portata d’aria in uscita
Dumping: outlet air ow adjustment
5 =
Flapper
Flapper
6 =
Molla reazione
Reaction spring
7 =
Vite di azzeramento
Zeroing screw
8 =
Leva comando
Connecting lever
9 =
Ghiera di blocco
Ring nut
U1 =
Ugello azione diretta
Direct action nozzle
U2 =
Ugello azione inversa
Reverse action nozzle
S =
Aria alimentazione
Air supply
Fig. 3 -
Schema funzionale
Operating principle
4) Fissare il posizionatore al castello della valvola
mediante la sta󰀨a utilizzando la prevista foratura
per la vite od i cavallotti (E) appositamente forniti
per i servomotori a colonna. E󰀨ettuando questa
operazione inlare il perno di scorrimento (B)
all’estremità della leva di comando e traslare
poi il posizionatore verso destra come indicato
a Fig. 6. Al termine dell’operazione il perno (B)
dovrà risultare posizionato come in gura.
5) Applicando al servomotore un segnale
pneumatico adeguato portare e mantenere
lo stelo della valvola al 50% della corsa.
4) Fix the positioner to the valve yoke by the
mounting plate using the hole on the valve
yoke for the screw, or the U-bolts (E) for
actuators with pillars. During this operation,
insert the sliding pin (B) in the end of the
positioner lever slot and afterwards move
the positioner to the right as indicated in
Fig. 6 until reaching the fixing position.
5) Apply an adequate pneumatic signal to the
actuator to position the valve stem at 50%
of stroke.
Fig. 4 -
Accessori di montaggio
Mounting ttings

Related product manuals