EasyManua.ls Logo

Spudnik 8080 - Page 166

Default Icon
179 pages
Print Icon
To Next Page IconTo Next Page
To Next Page IconTo Next Page
To Previous Page IconTo Previous Page
To Previous Page IconTo Previous Page
Loading...
E
D
C
B
F
A
1
Repl.by
Repl.f.
Origin
Standard
Proved
User
date
name
date
change
Status
Wereserveallrightsinthisdocumentandintheinforma
tioncontainedtherein.Reproduction,useordisclosure
tothirdpartieswithoutexpressauthorityisstrictly
forbidden.
©SPUDNIKEQUIPMENT
8765
4
3
2
1
E
D
C
B
A
Sh.
Sheet
8765
4
32
F
SPUDNIKEQUIPMENTCOMPANYLLC
100N584W
BLACKFOOT,ID,83221
www.spudn k.com
02/02/07
HN
HN
3
15
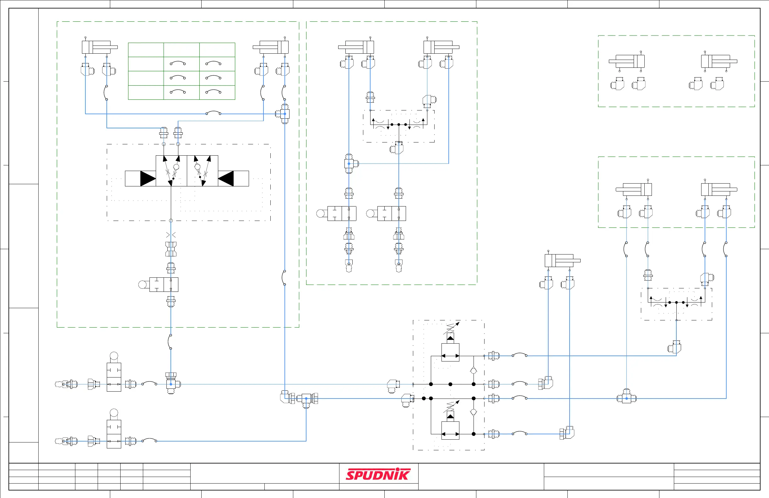
WALKINGBEAM8040/47/60/80/MARKERARM
601048
601048
601477
601477
602264
A
B
602264
A
B
OPTIONMARKERARM
P/T
A
B
V38
B92.04279
602264
A
B
601048
601048
601477
601477
602264
A
B
602264
A
B
8040WALKINGBEAM
8060/80/90WALKINGBEAM
8047SOLIDREARTIRES
601892
601892601390
601390
601892601390
601390 601892
4 2
3
602770
4 2
3
602770
C2A C1A
C2B C1B
VB
VA
602768
SEQUENCEVALVE
A
B
602616
LIFTREAR
2 50"x12"
A
B
602620
LIFTREAR
3 00"x10"
A
B
602620
LIFTREAR
3.00"x10"
A
B
602616
LIFTREAR
2.50"x12"
A
B
602530
LIFTDRAWBAR
5"x8"
A
B
602620
LIFTREARLH
3.00"x10"
A
B
602620
LIFTREARRH
3.00"x10"
601477
601477
601477
601477
601338
601322
601338
601322
601956
601956
601477
601477
602133
601477 601477 601957
601322
602057
602057
601713
601323
601323
602662
602662
601323
601347
601323
601323
601323
601323
601347
601323
601323
601323
601323
601323
601323
601323
601323
601323
601323
601323
601323
601323
A
B
C
602613
2.00"x10"
A
B
C
602613
2.00"x10"
602207
602207
HOSEE
HOSEE
HOSEF
HOSEF
602231
602256
602282
602282
602282
602211
602211
602221
602221
602211
602207 602223
602223 602254
602254 602240
HOSEE
HOSEF
4ROW
6ROW
8ROW

Table of Contents

Related product manuals