EasyManua.ls Logo

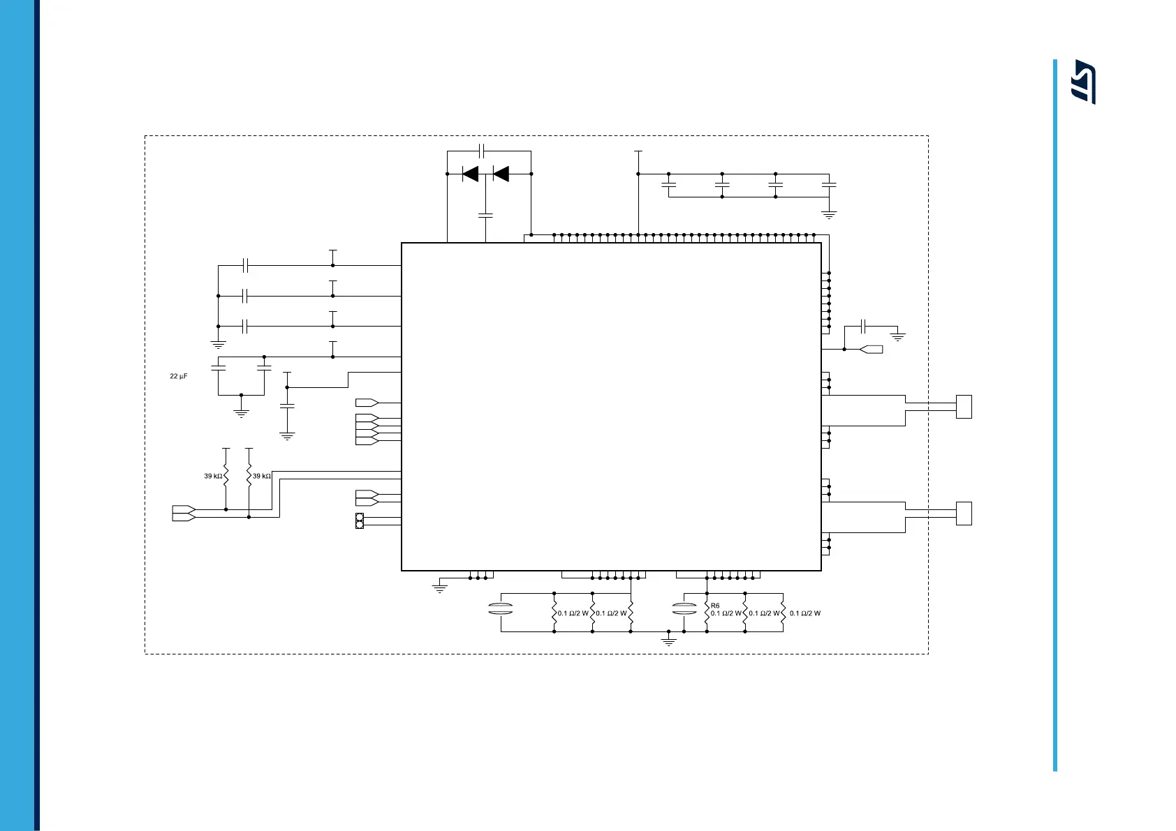
ST PowerSTEP01 EVLPOWERSTEP01 - EVLPOWERSTEP01 Schematics; Figure 3. EVLPOWERSTEP01 Schematic 1 of 2

ST PowerSTEP01 EVLPOWERSTEP01
21 pages
Print Icon
To Next Page IconTo Next Page
To Next Page IconTo Next Page
To Previous Page IconTo Previous Page
To Previous Page IconTo Previous Page
Loading...
1.1 EVLPOWERSTEP01 schematics
Figure 3. EVLPOWERSTEP01 schematic 1 of 2
Application reference
OUTA1
OUTA2
OUTB1
OUTB2
STBY_RESET
nCS
CK
SDI
BUSY
FLAG
STCK
SW
SDO
ADC_IN
VS
VS_REG
VCC
VCC_REG
VREG
VDD
VDD VDD
C12
100 nF/4 V
R8
J1
1
2
C9
100 nF/25 V
D1BAR43SFILM
12
3
C8
470 nF/25 V
JP1
OPEN
C7
100 nF/100 V
C2
220 nF/100 V
R5
R2
C1
470 nF/25 V
R1
J2
N.M.
1
2
JP2
OPEN
C6
47 nF/100 V
U1
powerSTEP01
OUTB2
7
OUTB2
81
OUTB2
85
OUTB2
97
OUTB1
65
OUTB1
80
OUTB1
76
OUTB1
96
OUTA2
22
OUTA2
33
OUTA2
37
OUTA2
92
OUTA1
38
OUTA1
53
OUTA1
42
OUTA1
93
SENSEA_P
34
SENSEA_P
35
SENSEA_P
36
SENSEB_P
78
SENSEB_P
82
SENSEB_P
79
CP
57
VS
55
VBOOT
56
VSREG
61
VCC
58
VCCREG
60
VREG
62
VS
1
VS
2
VS
3
VS
4
VS
5
VS
6
VS
23
VS
24
VS
25
VS
26
VS
27
VS
28
VS
29
VS
30
VS
31
VS
32
VS
43
VS
44
VS
45
VS
46
VS
47
VS
48
VS
49
VS
50
VS
66
VS
67
VS
68
VS
69
VS
70
VS
71
VS
72
VS
73
VS
86
VS
87
VS
90
SENSEA_P
39
SENSEB_P
83
GND
8
GND
21
GND
59
SENSEA_S
20
SENSEB_S
9
STCK
17
CK
11
SDI
12
VDDIO
13
SDO
14
BUSY_SYNC
15
FLAG
16
SW
18
STBY_RESET
19
CS
10
OSCIN
63
OSCOUT
64
ADCIN
54
SENSEA_P
40
SENSEB_P
77
SENSEB_P
84
GND
98
VS
51
VS
52
VS
74
VS
75
VS
88
VS
89
VS
91
VS
94
VS
95
SENSEA_P
41
SENSEA_P
99
SENSEA_P
100
SENSEB_P
101
SENSEB_P
102
R4
C13
100 nF/6.3 V
C5
220 nF/100 V
C10
3.3 nF/6.3 V
C4
220 nF/100 V
C3
220 nF/100 V
R3
0R1/2W
C11
/6.3 V
R7
J3
1
2
UM1829 - Rev 2
page 4/21
UM1829
EVLPOWERSTEP01 schematics

Related product manuals