EasyManua.ls Logo

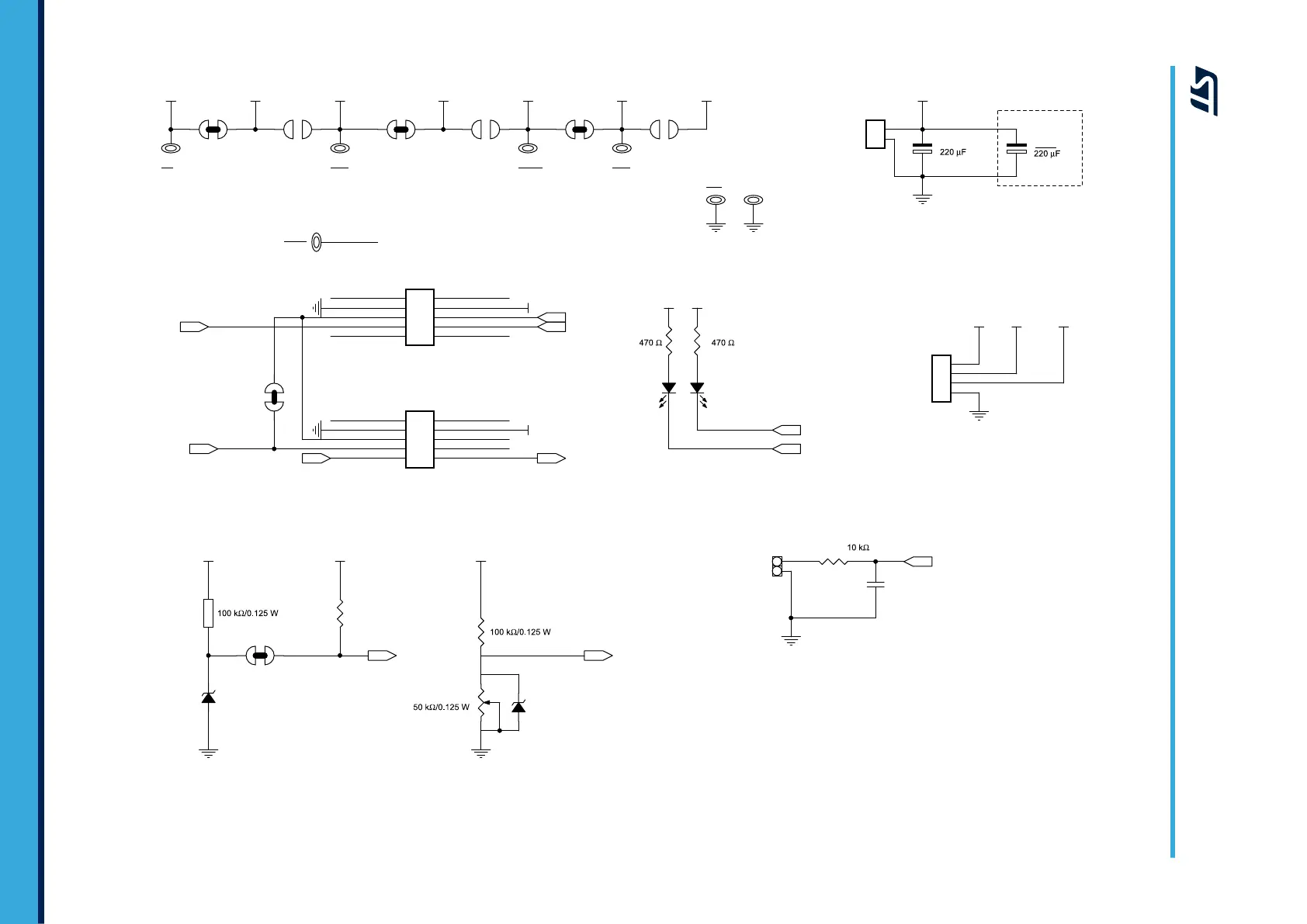
ST PowerSTEP01 EVLPOWERSTEP01 - Figure 4. EVLPOWERSTEP01 Schematic 2 of 2

ST PowerSTEP01 EVLPOWERSTEP01
21 pages
Print Icon
To Next Page IconTo Next Page
To Next Page IconTo Next Page
To Previous Page IconTo Previous Page
To Previous Page IconTo Previous Page
Loading...
Figure 4. EVLPOWERSTEP01 schematic 2 of 2
SPI_IN
SPI_OUT
VS
VS_REG
VCC_REG
GND
OPTION
VS
GND
10.5 V - 85 V
SDO
STBY_RESET
STBY_RESET
STCK
STCK
nCS
CK
SDI
BUSY
BUSY
FLAG
FLAG
nCS
CK
FLAG
BUSY
STCK
STBY_RESET ADC_IN
nCS
CK
SDI
SDO
FLAG
BUSY
STBY_RESETSTCK
SW
3V3
3V3
VDD VDD
3V3
VS VS_REG VCC VCC_REG VREG VDD
VDDVS_REG VS
VS_REG VCC_REGVS
VS
R14
R15
13
2
J8
N.M.
1
2
D2
BZX585-B3V3
R11
C15
10 nF/6.3 V
J7
1 2
3 4
5 6
7 8
9 10
JP9
12
JP4
1 2
J5
1 2
3 4
5 6
7 8
9 10
TP2
1
VDD
1
JP10
1 2
DL2
LED - RED
2 1
VREG
1
DL1
LED - AMBER
2
1
J6
N.M.
1
2
3
4
STCK
1
VCC
1
VS
1
JP5
1 2
R13
N.M.
R9 R10
+
C14
/100 V
TP1
1
+
C14A
/100 V
R12
D3
BZX585-B3V6
J4
1
2
JP8
1 2
JP3
1 2
JP6
1 2
JP7
1 2
UM1829 - Rev 2
page 5/21
UM1829
EVLPOWERSTEP01 schematics

Related product manuals