EasyManua.ls Logo

Steinberg UR-RT4 - Appendix; Signal Flows

Steinberg UR-RT4
51 pages
Print Icon
To Next Page IconTo Next Page
To Next Page IconTo Next Page
To Previous Page IconTo Previous Page
To Previous Page IconTo Previous Page
Loading...
Appendix
UR-RT4 / UR-RT2 Operation Manual 38
UR-RT2
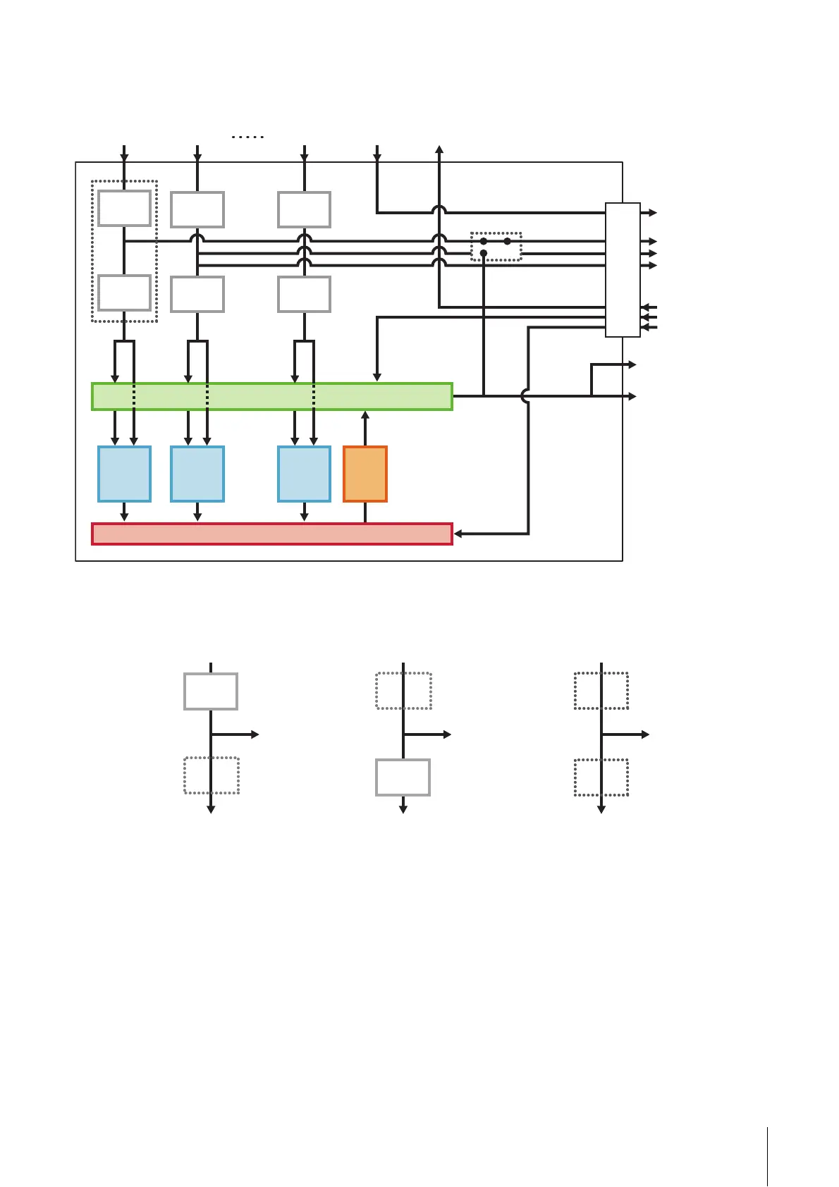
*1 The following chart indicates an effect insertion location.
*1
MIX 1
LOOPBACK OFF/ON
To DAW input
REV-X
Ch. Strip
Ch. Strip
Ch. Strip
Ch. Strip
Ch. Strip
Ch. Strip
REV-X
Send
Level
REV-X
Send
Level
REV-X
Send
Level
REV-X
Return
Level
To
[MIDI OUT]
From
[MIC/LINE 1]
From
[MIC/LINE 2]
From
[MIDI IN]
From
[LINE INPUT 4]
From
DAW output
To [MAIN OUTPUT 1/2]
To [PHONES 1]
USB
Lower (MON.FX)
To DAW
input
Ch. Strip
From input on the device
To output on the device
To DAW
input
From input on the device
To output on the device
Upper (INS.FX)
From input on the device
To output on the device
To DAW
input
Ch. Strip
Not applied (OFF)

Other manuals for Steinberg UR-RT4

Related product manuals