EasyManua.ls Logo

Steinberg UR-RT4 - Page 40

Steinberg UR-RT4
51 pages
Print Icon
To Next Page IconTo Next Page
To Next Page IconTo Next Page
To Previous Page IconTo Previous Page
To Previous Page IconTo Previous Page
Loading...
Appendix
UR-RT4 / UR-RT2 Operation Manual 40
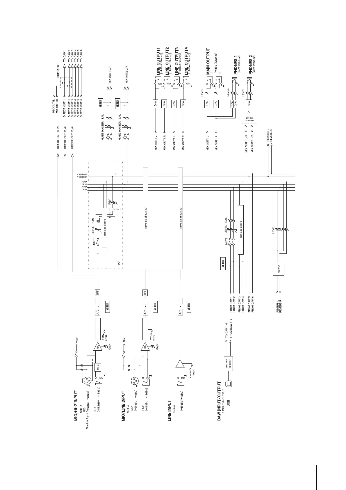
UR-RT4 – 176.4/192 kHz
Φ
Φ
Φ
TRANSFORMER
TRANSFORMER

Other manuals for Steinberg UR-RT4

Related product manuals