EasyManua.ls Logo

Steinberg UR816C - Signal Flows

Steinberg UR816C
47 pages
Print Icon
To Next Page IconTo Next Page
To Next Page IconTo Next Page
To Previous Page IconTo Previous Page
To Previous Page IconTo Previous Page
Loading...
Appendix
UR816C Operation Manual 37
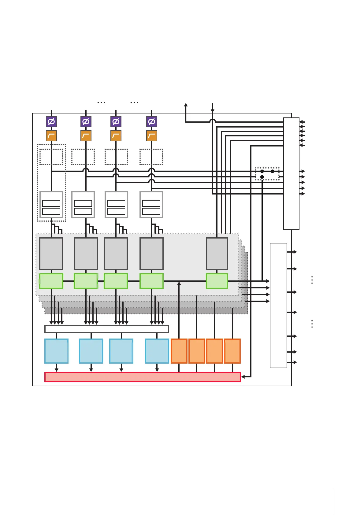
Signal Flows
The following chart indicates the signal flow in the device.
NOTE
The controllers on the device, such as the [INPUT GAIN] knobs, [OUTPUT] knob are not included in this chart.
To configure each parameter, use the “dspMixFx UR-C” (page 8) or “Dedicated Windows for Cubase Series” (page 14).
Please note that you cannot use the built-in Guitar Amp Classics when the sample rate is set to 176.4 kHz or 192 kHz.
Insert FX
SLOT1
SLOT2
Insert FX
SLOT1
SLOT2
Insert FX
SLOT1
SLOT2
Insert FX
SLOT1
SLOT2
From
MIC/LINE/
HI-Z 1
From
MIC/LINE/
HI-Z 2
From
OPTICAL
IN 1
From
OPTICAL
IN 8
From
MIDI OUT
To
MIDI OUT
Volume Volume Volume Volume Volume
Pan Pan Pan Pan Pan
*2
REV-X select
MIX 4
MIX 3
MIX 2
MIX 1
*1
REV-X
Send
Level
REV-X
Send
Level
REV-X
Send
Level
REV-X
Send
Level
REV-X
Return
Level
REV-X
Return
Level
REV-X
Return
Level
REV-X
Return
Level
REV-X
*3
*4
OUTPUT SELECT
USB
To DAW
input
From DAW
output
To MAIN
OUTPUT L/R
To LINE
OUTPUT 1L/1R
To LINE
OUTPUT 4L/4R
To OPTICAL
OUT 1/2
To OPTICAL
OUT 7/8
To PHONES 1
To PHONES 2
LOOPBACK
OFF/ON

Other manuals for Steinberg UR816C

Related product manuals