EasyManua.ls Logo

Steinberg UR816C - Block Diagrams

Steinberg UR816C
47 pages
Print Icon
To Next Page IconTo Next Page
To Next Page IconTo Next Page
To Previous Page IconTo Previous Page
To Previous Page IconTo Previous Page
Loading...
Appendix
UR816C Operation Manual 39
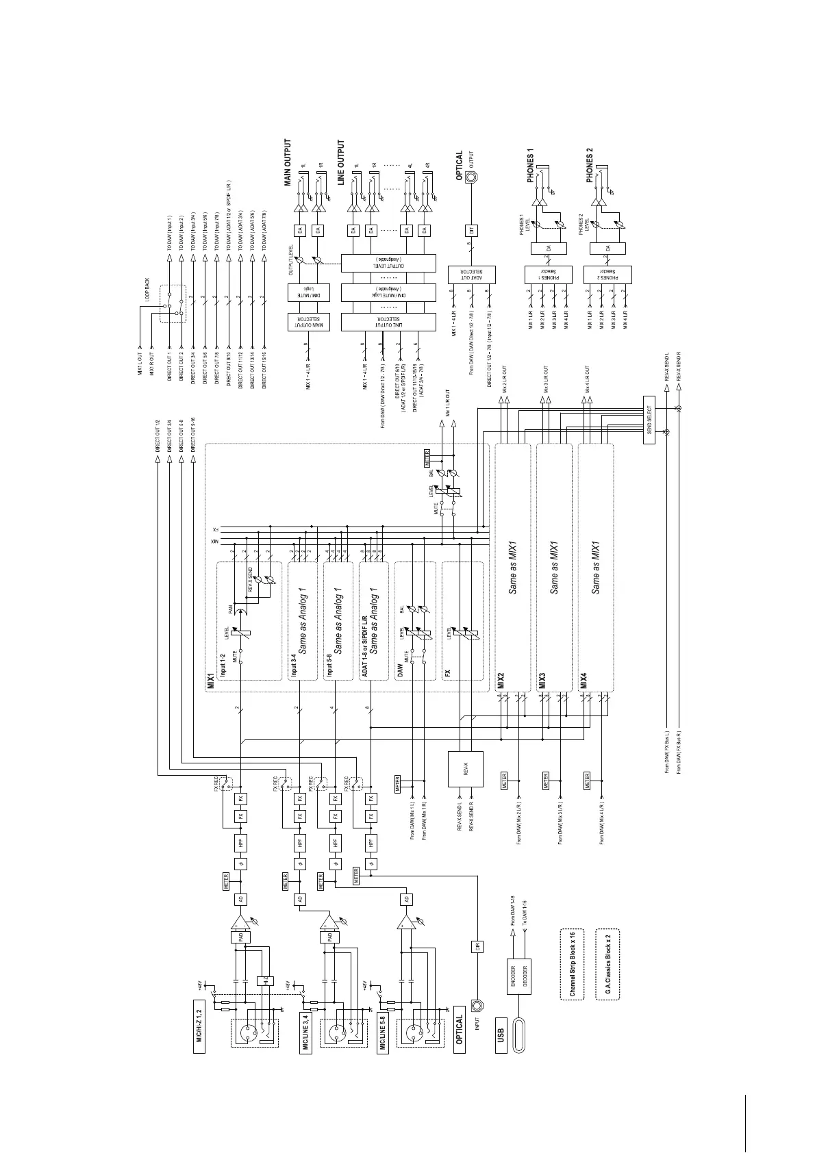
Block Diagrams
44.1kHz, 48kHz

Other manuals for Steinberg UR816C

Related product manuals