EasyManua.ls Logo

stellar labs 14528 - Hydraulic Kit - PN 26771

Default Icon
62 pages
Print Icon
To Next Page IconTo Next Page
To Next Page IconTo Next Page
To Previous Page IconTo Previous Page
To Previous Page IconTo Previous Page
Loading...
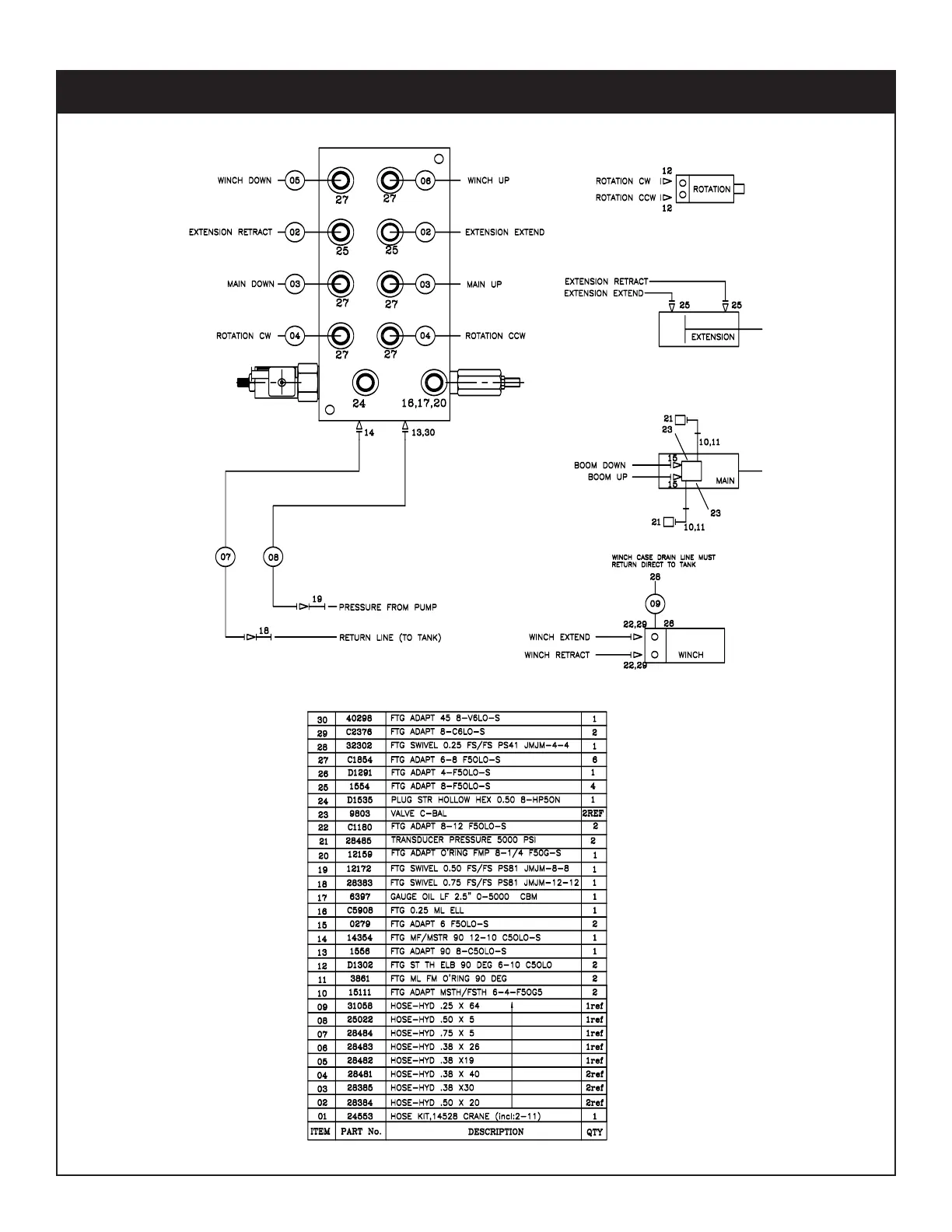
47Hydraulics - Electrical 47
PN 26771
Hydraulic Kit - PN 26771

Related product manuals