EasyManua.ls Logo

stellar labs 14528 - Hydraulic System Schematic

Default Icon
62 pages
Print Icon
To Next Page IconTo Next Page
To Next Page IconTo Next Page
To Previous Page IconTo Previous Page
To Previous Page IconTo Previous Page
Loading...
49Hydraulics - Electrical 49
C
IT
AME
HCS
C
ILUA
RDYH
Y
T
QN
O
I
T
P
I
RC
S
E
DT
R
A
P
M
ET
I
19026
2
EVLAV
FE
IL
E
R57
013
1
7
6
35
2 TIK L
A
ES
86352
12
1
-
0 N
0
5
1
3
C60
PJ
/P
RP L
R
T
C
W
LF E
V
L
AV
67
0
13
2
6
70
1
3
T
IK
L
A
ES
08013
31
7
5
60
G
DN
A
T Y
AW
4 S
OP
3
DN
L
OS
EVL
AV
7
7
0
13
3
1
195
60
G N
EP
O Y
A
W
4 S
O
P
3 D
NL
O
S EVL
AV
87013
4
870
13
/7
70
1
3
T
IK
L
A
ES
6
25
13
90
9
64
2/
5
86
42
ELA
M
DR
A
K
C
AP
C
D
V
21
L
I
O
C
073
5
2
5
P/N 26209
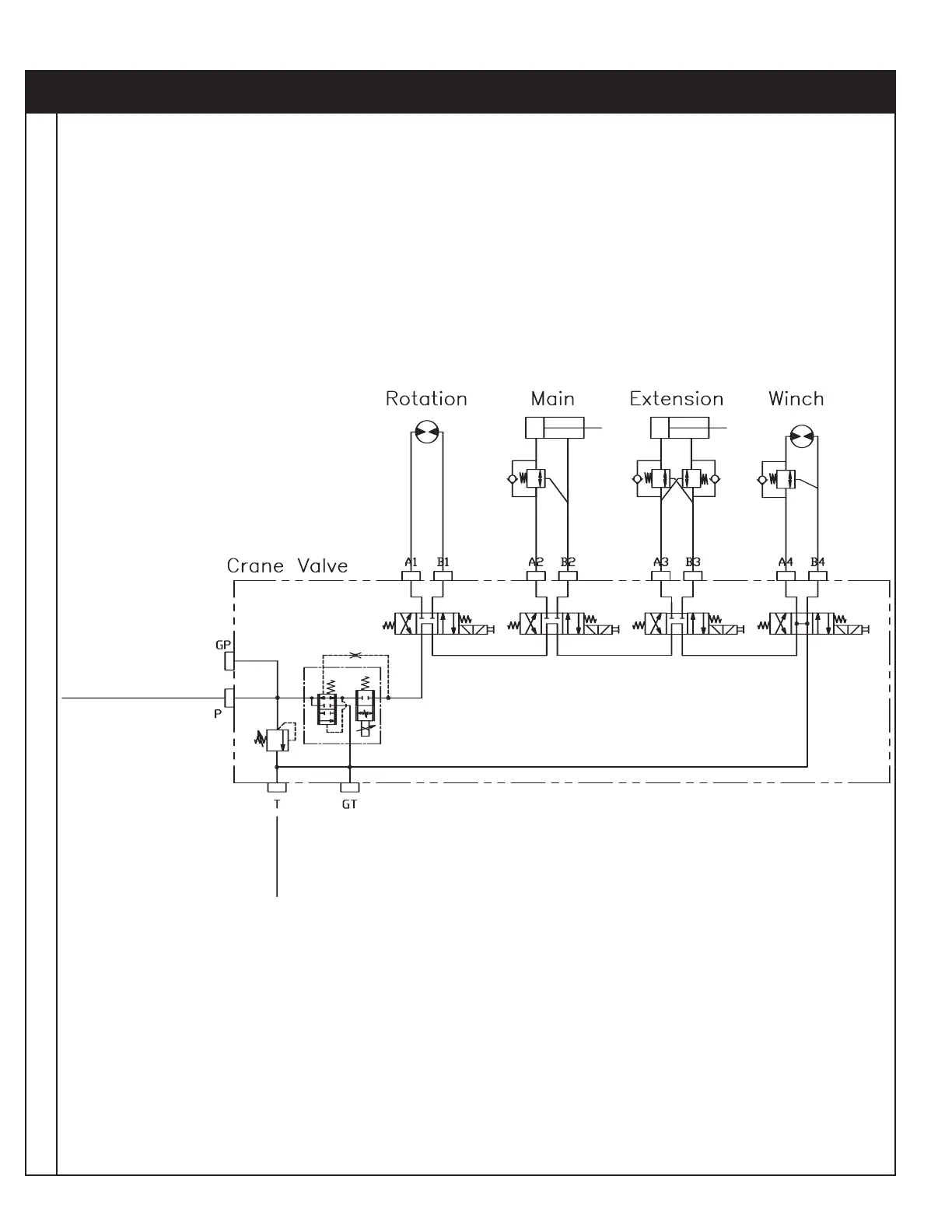
Valve Identification
Valve Item #3 P/N 31077-G0657A1
Valve Item #4 P/N 31078-G06591
1
5
5
5
4
3
3
2
Hydraulic System

Related product manuals