EasyManua.ls Logo

stellar labs Model 7628 - Valve Bank - PN 52265

Default Icon
30 pages
Print Icon
To Next Page IconTo Next Page
To Next Page IconTo Next Page
To Previous Page IconTo Previous Page
To Previous Page IconTo Previous Page
Loading...
7628 Owner’s Manual 7628 Owner’s Manual
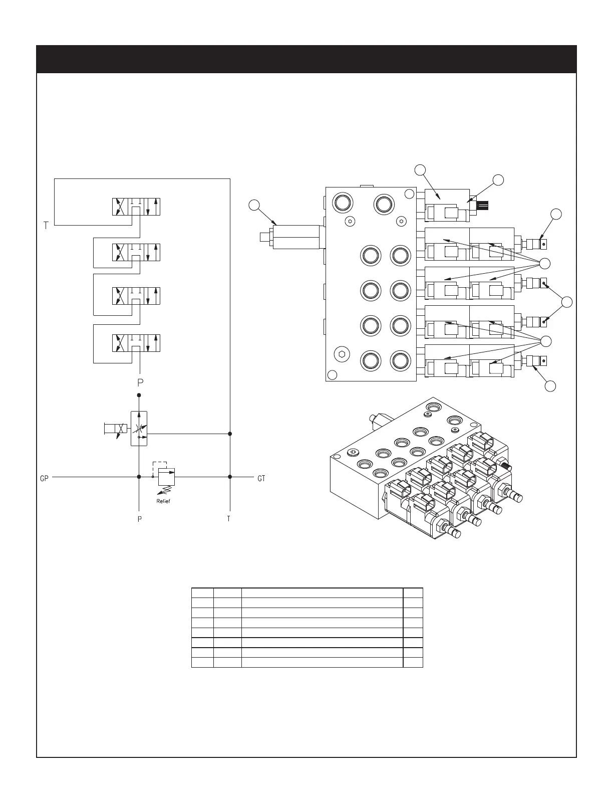
HYDRAULIC SCHEMATIC
4
3
1
4
3
4
3
2
PN 52265
YTQNOITPIRCSEDTRAPMETI
1 25367 RELIEF VALVE 24685/24690 1
25368 SEAL KIT 25367
2 24960 VALVE FLW CTRL PRP/JP04C3150N 0-8 1
25369 SEAL KIT 24960/25381
3 25371 VALVE SOLND 3 POS 4 WAY TAND G04571 4
25373 SEAL KIT 25371/25372
4 44532 COIL 12VDC DUETSCH CAP012H 9
Valve Bank - PN 52265

Related product manuals