EasyManua.ls Logo

Stephan Alia - Key System Components Overview

Default Icon
78 pages
Print Icon
To Next Page IconTo Next Page
To Next Page IconTo Next Page
To Previous Page IconTo Previous Page
To Previous Page IconTo Previous Page
Loading...
®
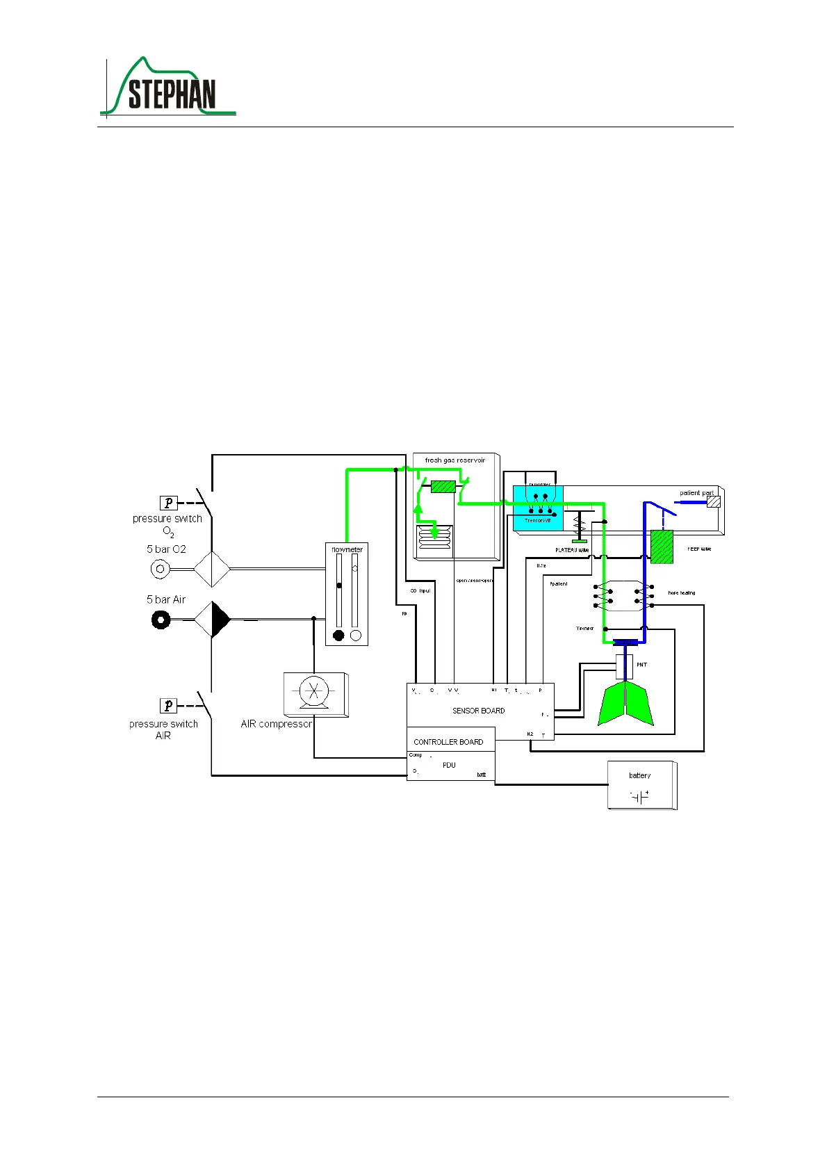
3 Components and functions
© F. Stephan GmbH SA-112-0106V1.0-WEM-GB 15
3 Components and functions
The A
LIA ventilator consists primarily of the following parts:
Electronic controls
Power supply
Gas supply
Fresh gas reservoir
Patient part
Patient tube system
Fig. 9: A
LIA block diagram

Related product manuals