EasyManua.ls Logo

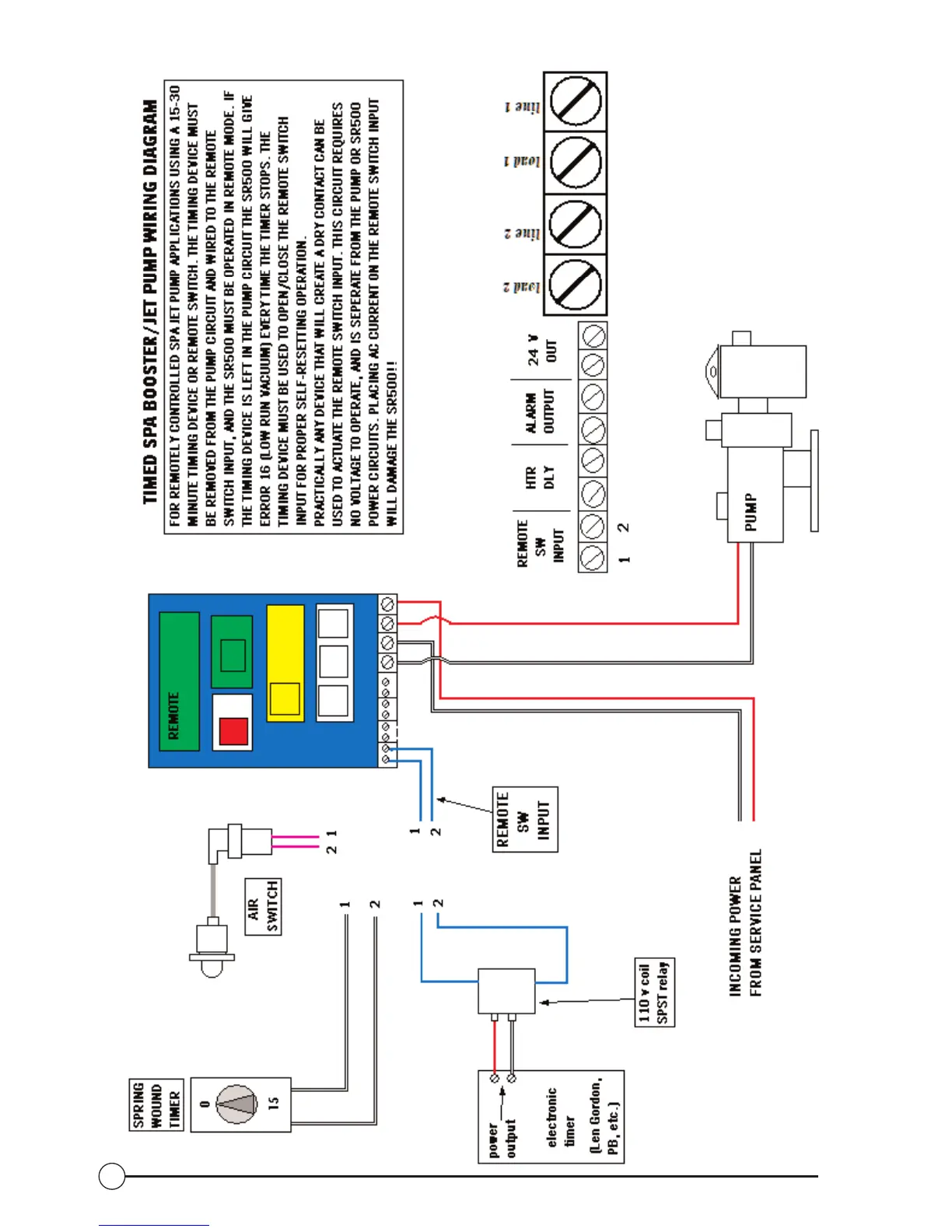
Stingl SR–500 - Timed Spa Booster;Jet Pump Wiring Diagram

Stingl SR–500
45 pages
Print Icon
To Next Page IconTo Next Page
To Next Page IconTo Next Page
To Previous Page IconTo Previous Page
To Previous Page IconTo Previous Page
Loading...
12