EasyManua.ls Logo

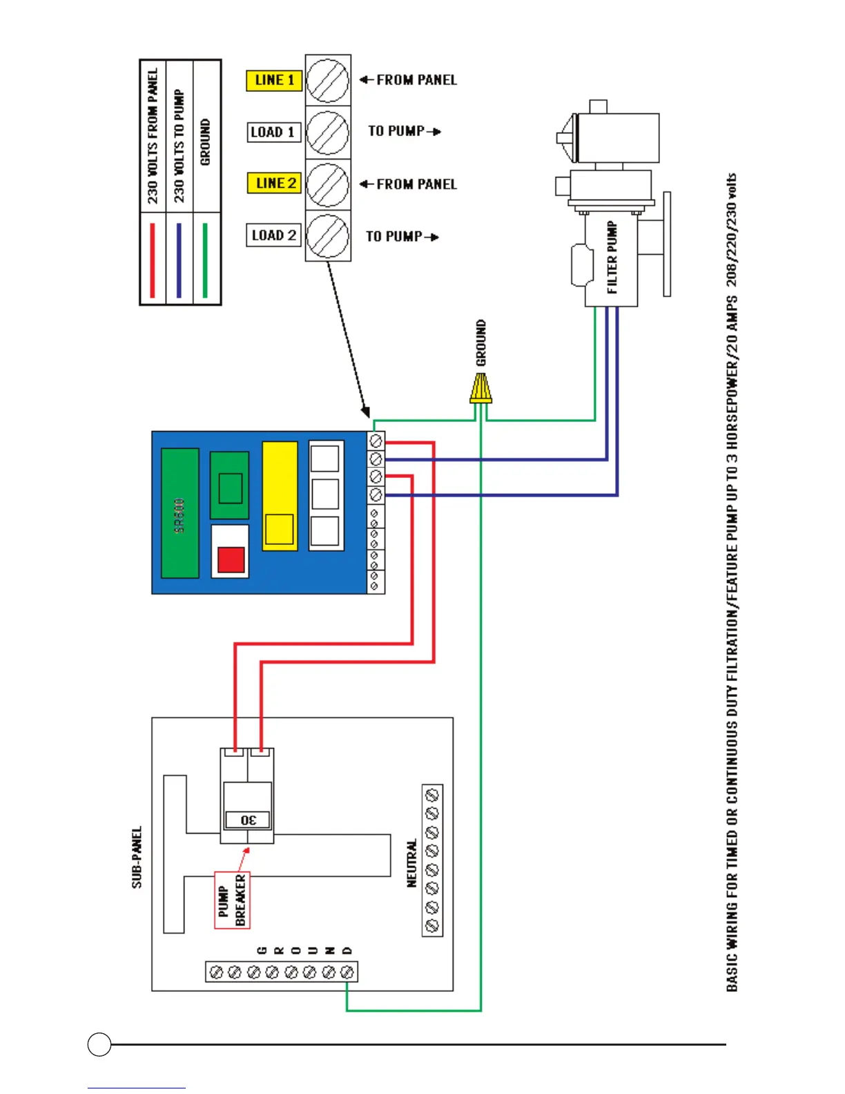
Stingl SR–500 - Basic Wiring for Timed or Continuous Duty Filtration

Stingl SR–500
45 pages
Print Icon
To Next Page IconTo Next Page
To Next Page IconTo Next Page
To Previous Page IconTo Previous Page
To Previous Page IconTo Previous Page
Loading...
8