EasyManua.ls Logo

Stober PS6A24 - UL-Compliant Connection of the Supply Module

Stober PS6A24
264 pages
Print Icon
To Next Page IconTo Next Page
To Next Page IconTo Next Page
To Previous Page IconTo Previous Page
To Previous Page IconTo Previous Page
Loading...
STOBER 16 | Appendix
02/2019 | ID 442728.05
241
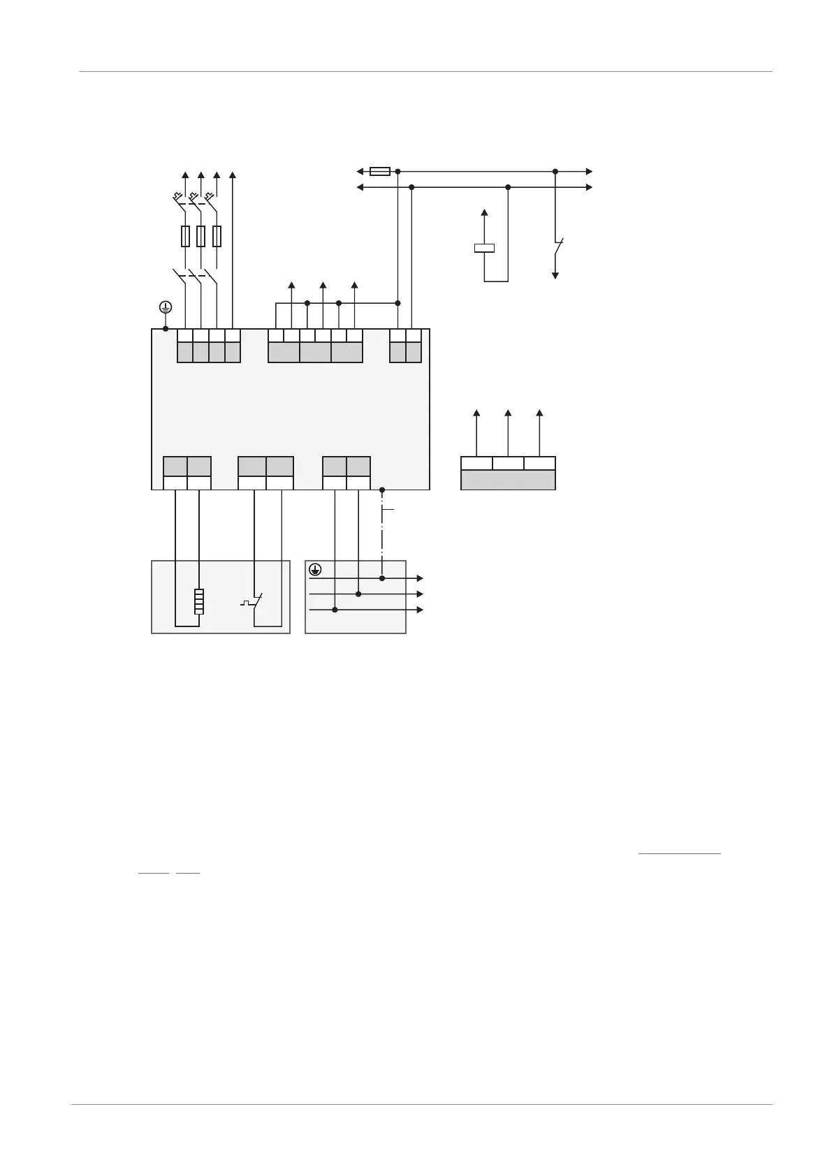
16.2.3 UL-compliant connection of the supply module
X21
X23
X22
PS6
X10
L1 L2
L3
PE
1 2
3
4
1 2 1 2 1 2
RB RB
1TP1 1TP2
D- D+
X11
+
-
1 2
F3
R1
X100
RDY
WAR1 WAR2
1 2
3
4
5
6
M
DC-
DC+
24 V
DC
1
T1
PEL1 L2
L3
F2
F1
DL6B
DI2
DI0
Q1.A1
1 2
3
A1
DI0
Q1.12
DI2
Q1
Q1.A1
Q1.12
A1
A2
11
12
Q1
Q1
Digital input
A1 Controller
F1 – F3 Fuse
L1 – L3 Three-phase power supply
T1 Supply module
R1 Braking resistor
Q1 Circuit breakers
1 Spring-loaded contact between DL6B and PS6
For UL-compliant operation:
For project configuration of the braking resistor, observe the notes in the chapter UL-compliant
use [}19].
The chassis of the PS6A/SI6A units is to be bonded through the M6 grounding studs on the
PS6A units (4.0Nm, 35Lb.inch).

Table of Contents

Related product manuals