EasyManua.ls Logo

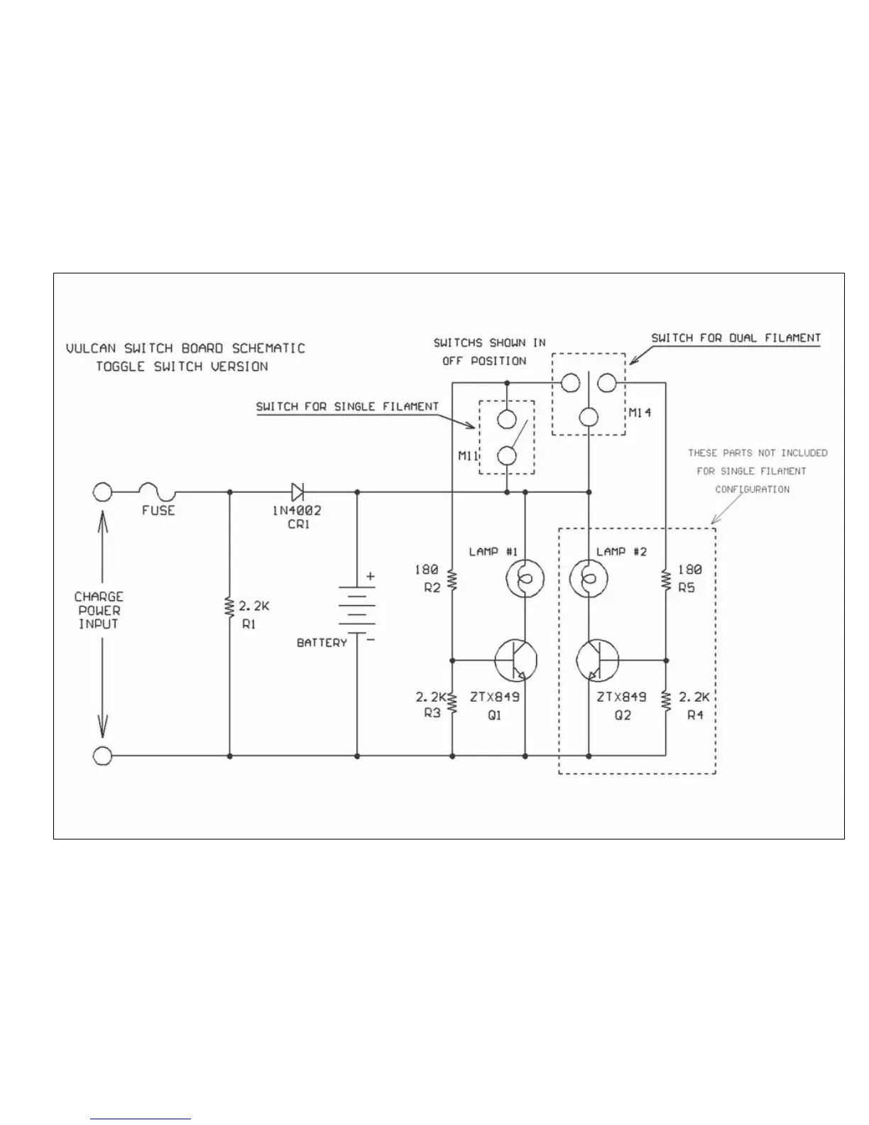
StreamLight FIRE VULCAN - Vulcan Switch Board Schematics; Toggle Switch Version Schematic

StreamLight FIRE VULCAN
43 pages
Print Icon
To Next Page IconTo Next Page
To Next Page IconTo Next Page
To Previous Page IconTo Previous Page
To Previous Page IconTo Previous Page
Loading...
- 31 -

Related product manuals