EasyManua.ls Logo

STREETEC autoleveling - Connection Diagram

Default Icon
38 pages
Print Icon
To Next Page IconTo Next Page
To Next Page IconTo Next Page
To Previous Page IconTo Previous Page
To Previous Page IconTo Previous Page
Loading...
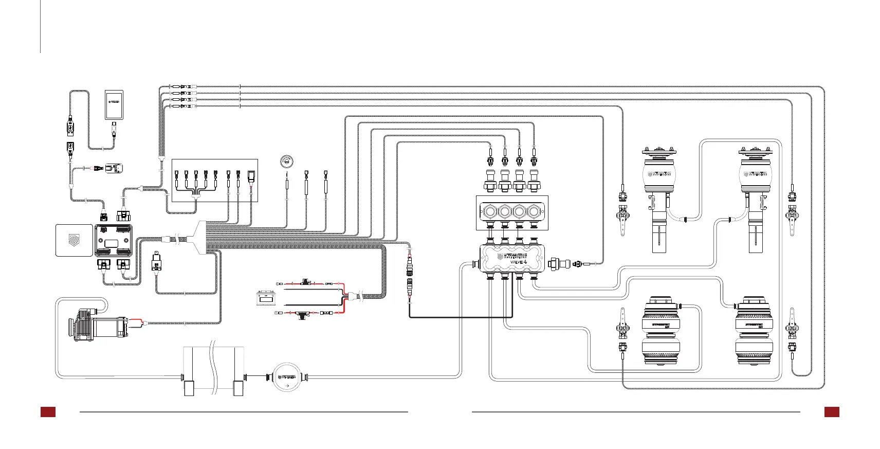
Connection diagram
RL/HL
RR/HR
FR/VR
FL/VL
+12V
+12V
OUT2
OUT3
IN1
TANK
FR/VR
RR/HR
RL/HL
FL/VL
IGN/KL15
OUT1
SPEED/GESCHW
RL/HL
FR/VR
+12V
LIGHTS/LICHT
FL/VL
RR/HR
OPTIONAL
OPTIONAL
42 43