EasyManua.ls Logo

Stryker Isolibrium 2971 - Page 161

Stryker Isolibrium 2971
202 pages
Print Icon
To Next Page IconTo Next Page
To Next Page IconTo Next Page
To Previous Page IconTo Previous Page
To Previous Page IconTo Previous Page
Loading...
FFrraannççaaiiss
FFRR
www.stryker.com 2971-109-0 01 REV B 2-53
Service
Remplacement du ventilateur de refroidissement de la boite côté pieds
Outils requis :
Tirette de fermeture à glissière ou dispositif équivalent
Tournevis à douille 5/16 po.
Procédure :
1. Voir Accès au capot de la boîte côté pieds à la page 2-37.
2. Débrancher le ventilateur de refroidissement du raccord rapide.
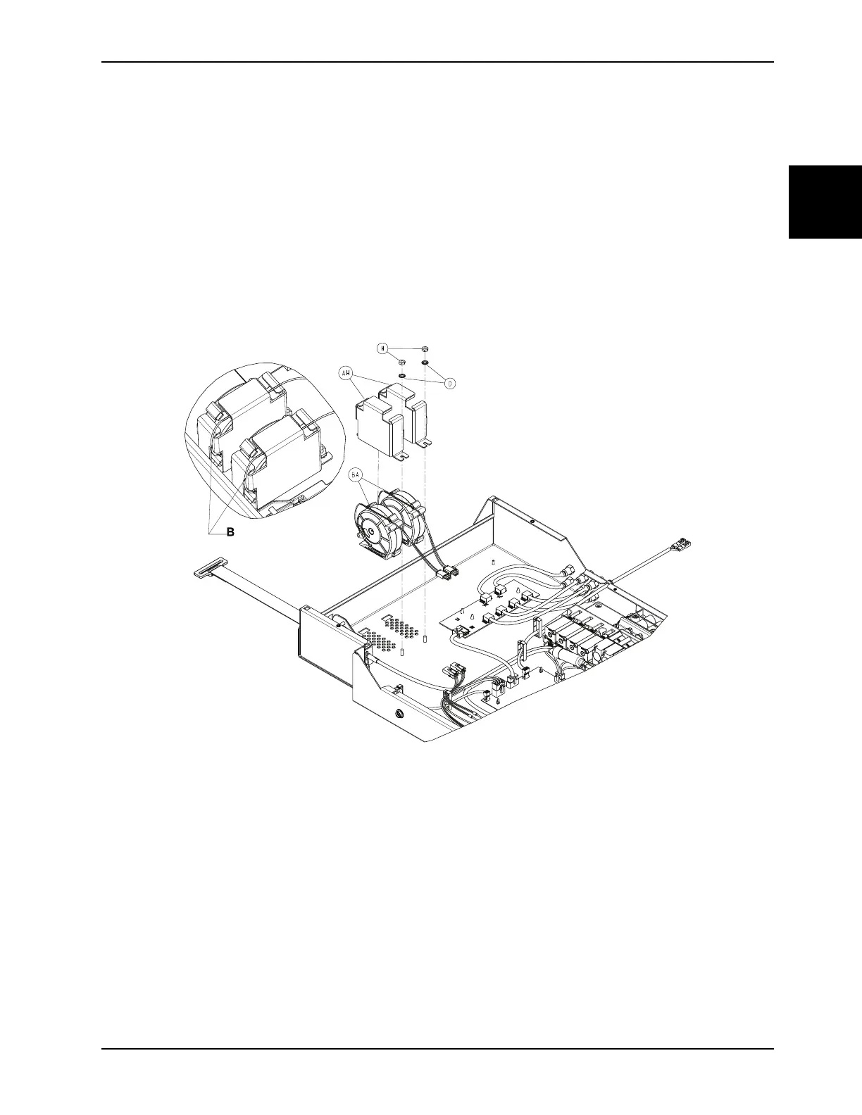
3. A l’aide d’un tournevis à douille 5/16 po., enlever l’écrou (H) fixant le compartiment du ventilateur à la boîte côté
pieds. Conserver l’écrou (H) et la rondelle (D) (Figure 2-29 à la page 2-53).
Remarque : Lors du remontage, serrer (H) à 2,5 ± 0,45 Nm (22 ± 4 in-lb).
B
Figure 2-29 : Ventilateur de refroidissement et compartiment
4. Retirer le ventilateur de refroidissement (BA) (Figure 2-29 à la page 2-53) de son compartiment (AH) et l’éliminer.
Remarque : Lors du remontage, acheminer les câbles électriques du ventilateur (BA) par-dessus le ventilateur
fourni (B) et sous le matelas en mousse (Figure 2-29 à la page 2-53).
5. Inverser la procédure pour le remontage.
Remarques :
Lors du remontage, vérifier que les attaches Velcr restent alignées.
Après l’installation, retirer la tirette de fermeture à glissière ou un dispositif équivalent.
Vérifier que le rabat recouvre la fermeture à glissière.
6. Vérifier le fonctionnement correct avant de remettre le produit en service.

Other manuals for Stryker Isolibrium 2971

Related product manuals