EasyManua.ls Logo

Sub-Zero 424HAG/O-2 - Basic System Overview

Sub-Zero 424HAG/O-2
57 pages
Print Icon
To Next Page IconTo Next Page
To Next Page IconTo Next Page
To Previous Page IconTo Previous Page
To Previous Page IconTo Previous Page
Loading...
Page 19
Wine Storage
Wine Storage
(400-
(400-
2
2
)
)
Series
Series
Electronic Control System
3-3
#3758410 - Revision C - May, 2014
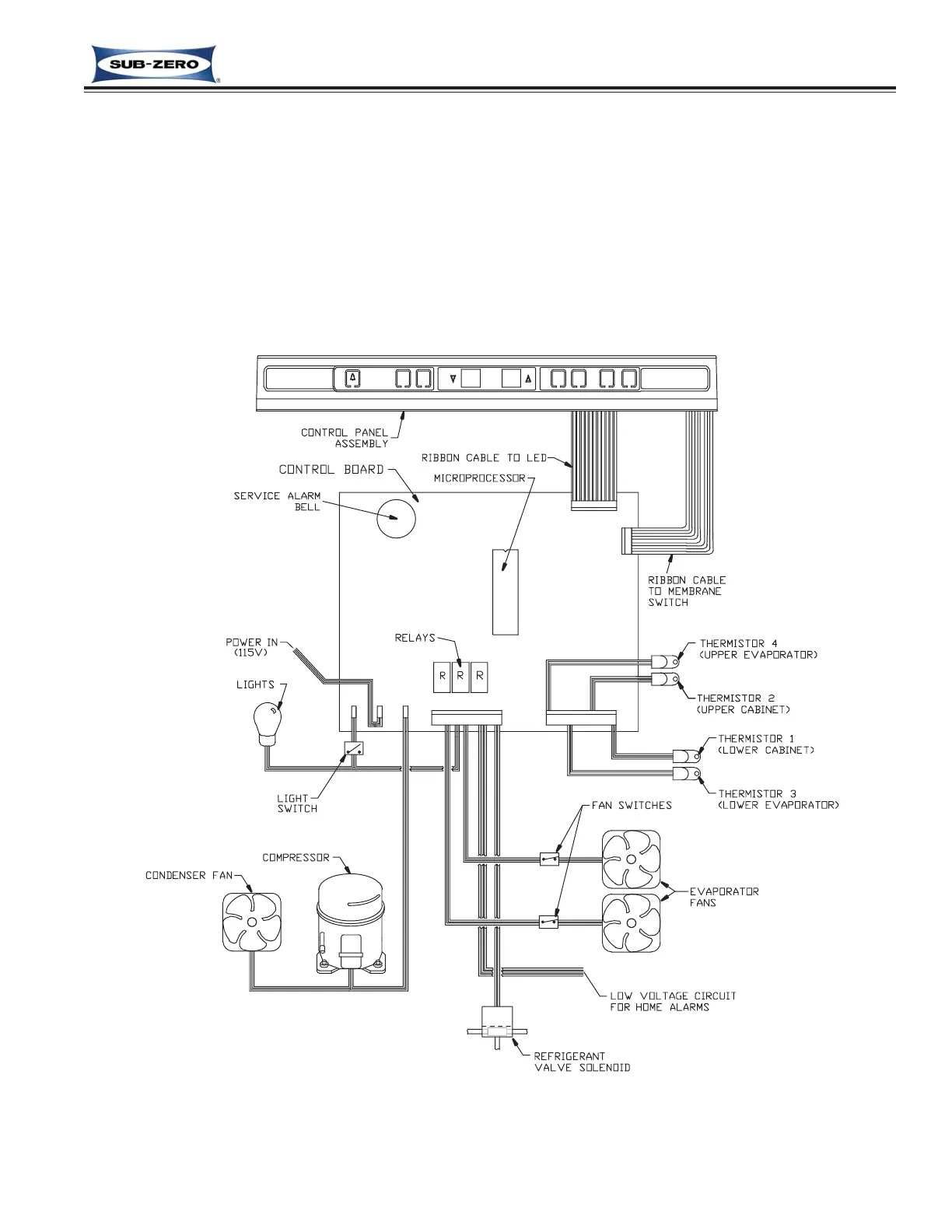
BASIC WINE STORAGE ELECTRONIC CONTROL SYSTEM
This page contains a basic illustration of the 400-2 Series electronic control system (See Figure 3-1). Input opera-
tions are performed at the membrane switch (part of the control panel assembly), with monitoring, regulating and
controlling functions taking place at the control board (located directly behind the control panel). Temperatures and
possible problems with the unit are displayed at the control panel display. The entire electronic control system is
described in greater detail on the following pages.
NOTE: The diagram below is not an exact electrical representation of the electronic control system. For more
detailed electrical diagrams refer to the wiring diagram and schematic supplied with the unit.
Figure 3-1. Basic Wine Storage (400-2) Series Electronic Control System
WINE STORAGE
COLDER WARMER COLDER WARMER
ON/OFF
LIGHTS
ON/OFF
UNIT
ON/OFF
BELL ON
SERVICE
N.C.
N.O.
N.O.

Table of Contents

Related product manuals