EasyManua.ls Logo

Suburban Dynaline 3 - Page 26

Suburban Dynaline 3
40 pages
Print Icon
To Next Page IconTo Next Page
To Next Page IconTo Next Page
To Previous Page IconTo Previous Page
To Previous Page IconTo Previous Page
Loading...
Suburban Dynaline 3 A&E Manual 12/2016 Rev.1
26
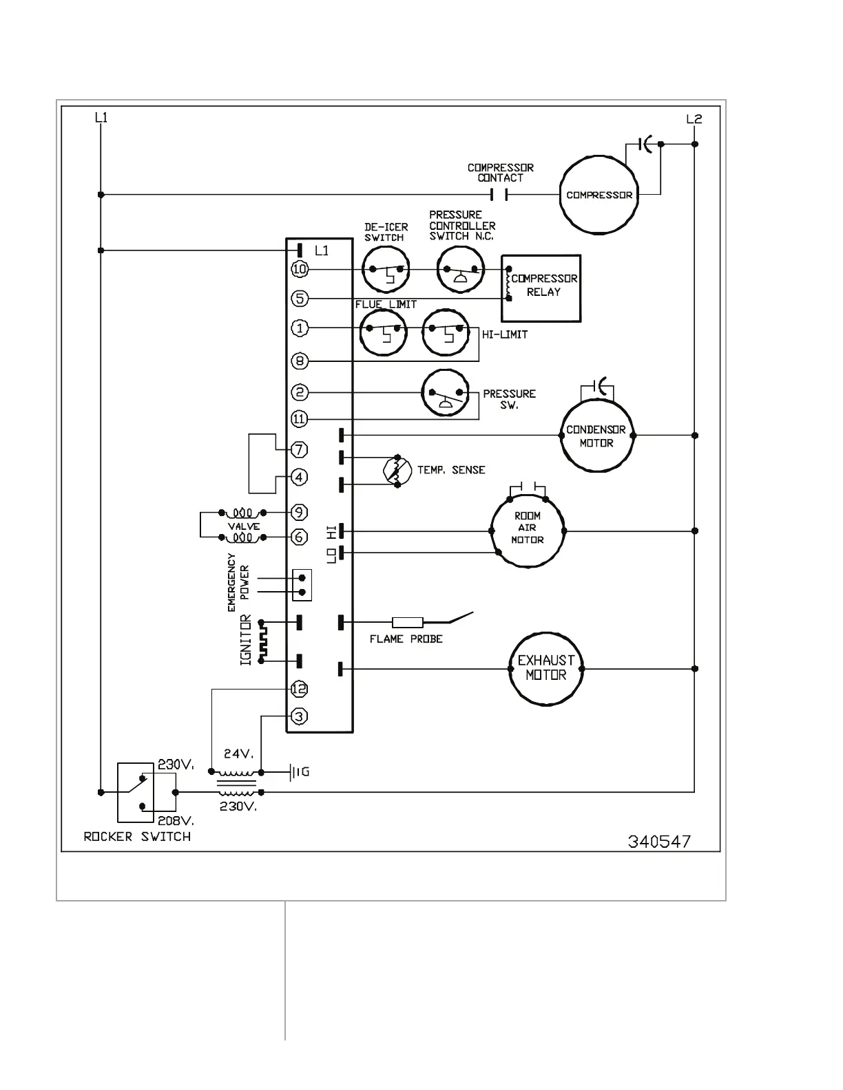
Figure 26
Ladder Diagram:
208/230 V.A.C.