EasyManua.ls Logo

Suburban Dynaline 3 - Page 27

Suburban Dynaline 3
40 pages
Print Icon
To Next Page IconTo Next Page
To Next Page IconTo Next Page
To Previous Page IconTo Previous Page
To Previous Page IconTo Previous Page
Loading...
Suburban Dynaline 3 A&E Manual 12/2016 Rev.1
27
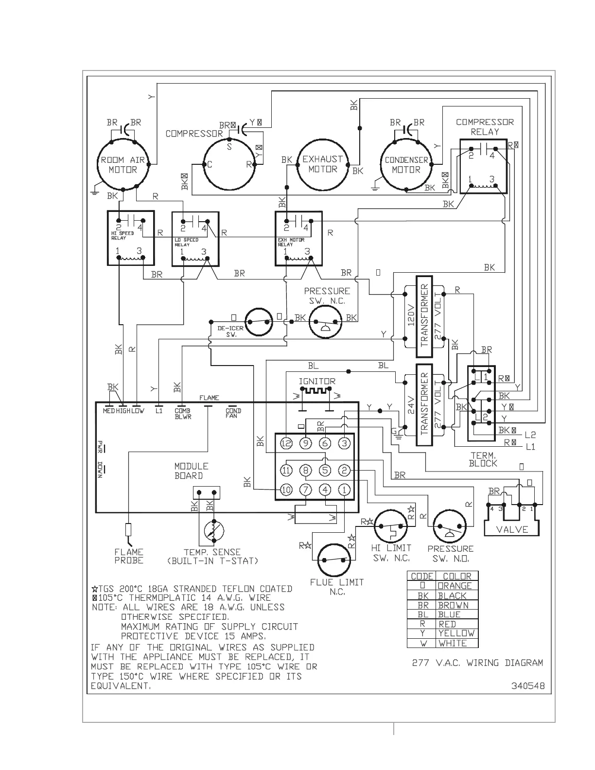
Figure 27
Schematic:
277 V.A.C.