EasyManua.ls Logo

Sullair 125 - 7.3 C ENGINE, COMPRESSOR AND PARTS - JOHN DEERE MODEL 160 H

Sullair 125
132 pages
To Next Page IconTo Next Page
To Next Page IconTo Next Page
To Previous Page IconTo Previous Page
To Previous Page IconTo Previous Page
Loading...
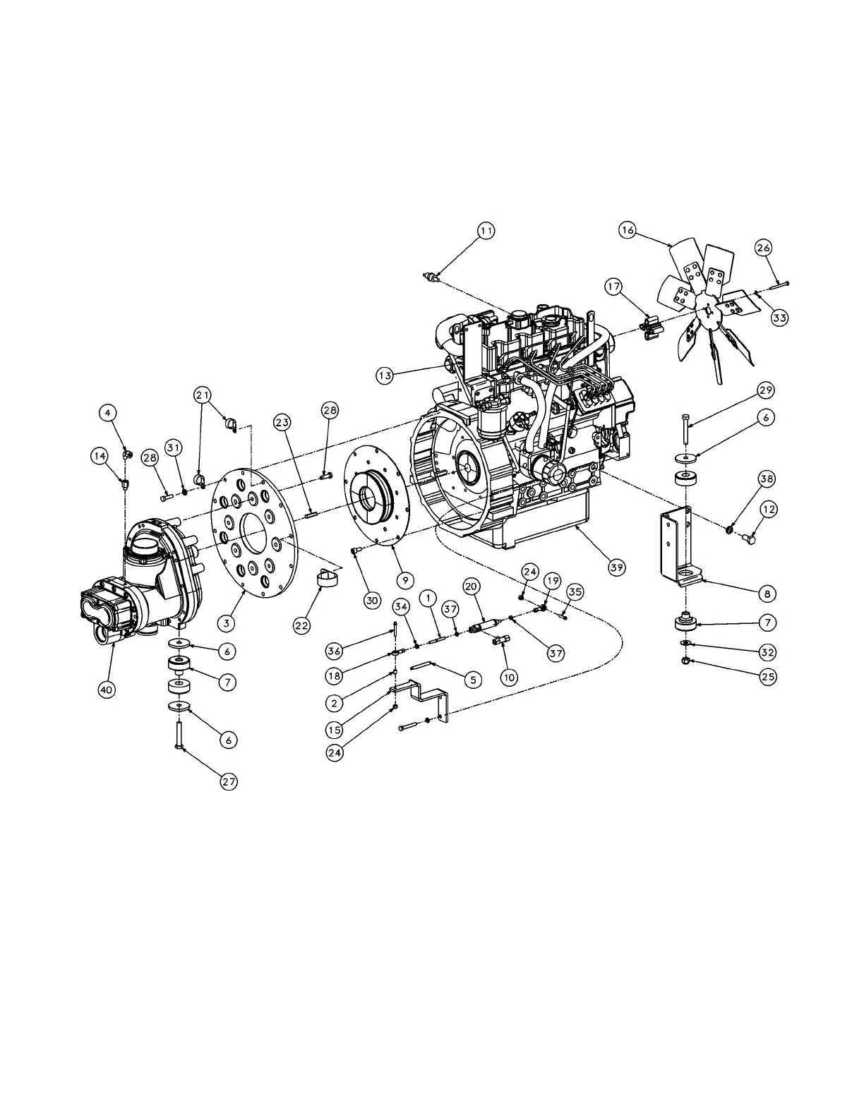
Section 7
ILLUSTRATIONS AND PARTS
44
02250141-110R05
7.3A ENGINE, COMPRESSOR AND PARTS - PERKINS AND CATERPILLAR MODELS 125, 130 AND 185

Table of Contents

Other manuals for Sullair 125

Related product manuals