EasyManua.ls Logo

Sullair 185 - Page 44

Sullair 185
137 pages
Print Icon
To Next Page IconTo Next Page
To Next Page IconTo Next Page
To Previous Page IconTo Previous Page
To Previous Page IconTo Previous Page
Loading...
Section 7
ILLUSTRATIONS AND PARTS LIST
38
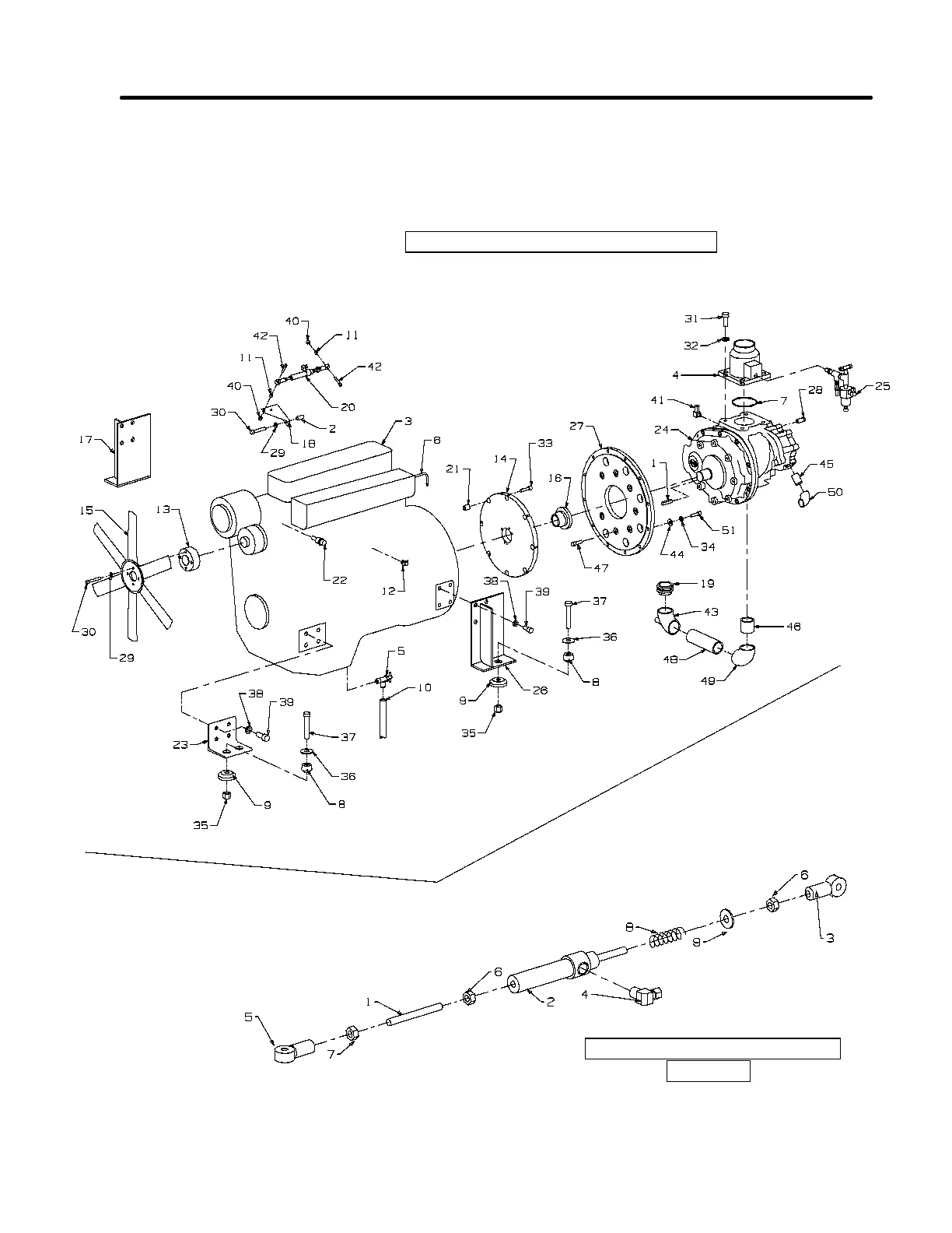
7.3 ENGINE, COMPRES SOR A ND PARTS --- J OHN DEERE --- 185 MODELS
ENGINE SPEED CYLINDER
ENGINE, COMPRESSOR & PARTS
ITEM 20

Other manuals for Sullair 185

Related product manuals