EasyManua.ls Logo

Sullair 3000PB - VSD Air-Cooled Series Delta Wiring

Sullair 3000PB
70 pages
Print Icon
To Next Page IconTo Next Page
To Next Page IconTo Next Page
To Previous Page IconTo Previous Page
To Previous Page IconTo Previous Page
Loading...
3: Specifications 3000PB, 3700B, 4500B, 3000PVB, 3700VB, 4500VB User Manual
02250216-786 R01
40 Subject to EAR, ECCN EAR99 and related export control restrictions.
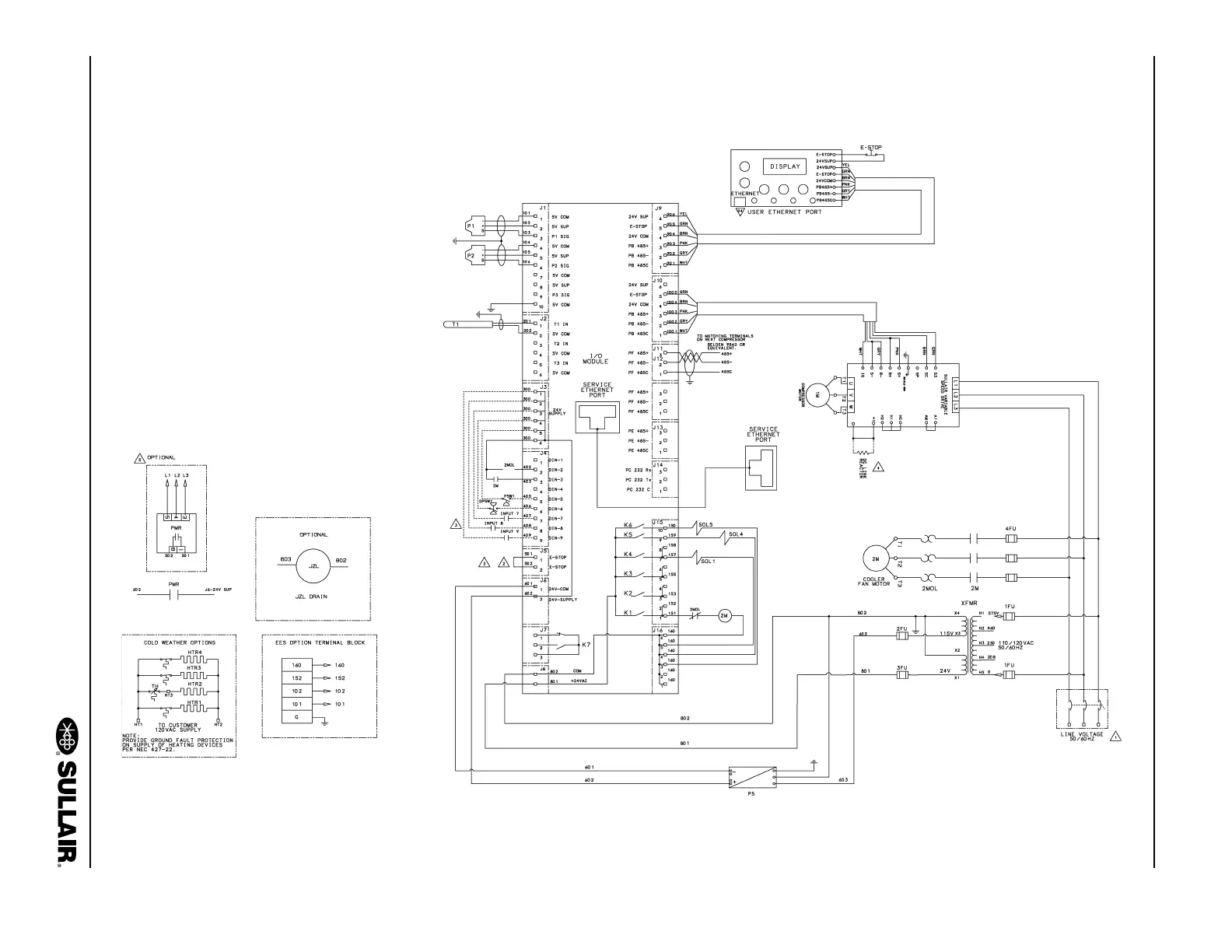
3.15 Wiring diagram, VSD air-cooled series delta A1000 (230/575V only)
02250216-829 R02

Table of Contents

Related product manuals