EasyManua.ls Logo

Sullair LS20T - Page 76

Sullair LS20T
106 pages
Print Icon
To Next Page IconTo Next Page
To Next Page IconTo Next Page
To Previous Page IconTo Previous Page
To Previous Page IconTo Previous Page
Loading...
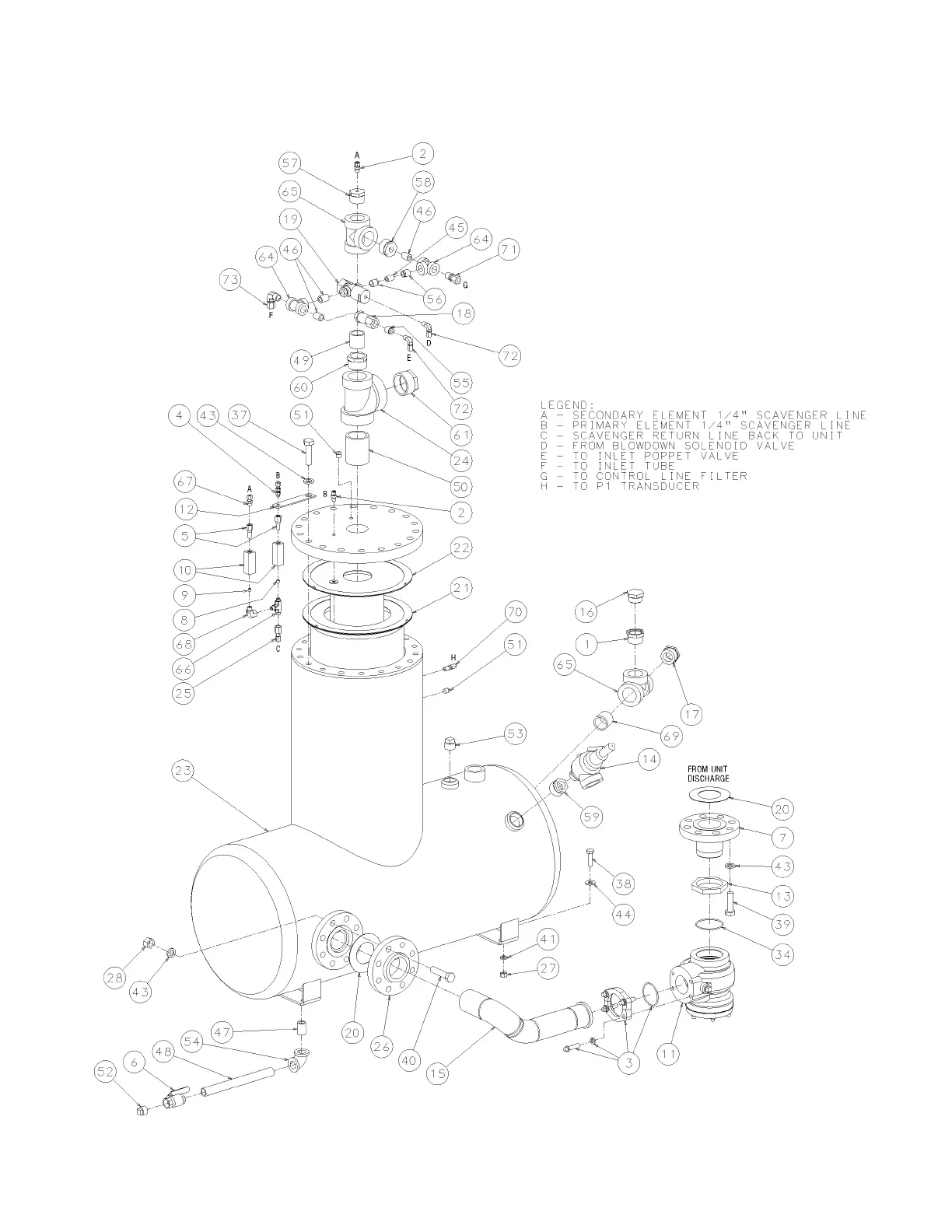
Section 9
ILLUSTRATIONS AND PARTS LIST
70
02250148-029R00
9.12 DISCHARGE SYSTEM

Table of Contents

Related product manuals