EasyManua.ls Logo

SUNFLOWER SR868C8 - Page 44

SUNFLOWER SR868C8
44 pages
Print Icon
To Previous Page IconTo Previous Page
To Previous Page IconTo Previous Page
Loading...
Operation manual of solar water controller SR868C8/SR868C8Q
---------------------------------------------------------------------------------------------------------------------------------------------------
- 43 -
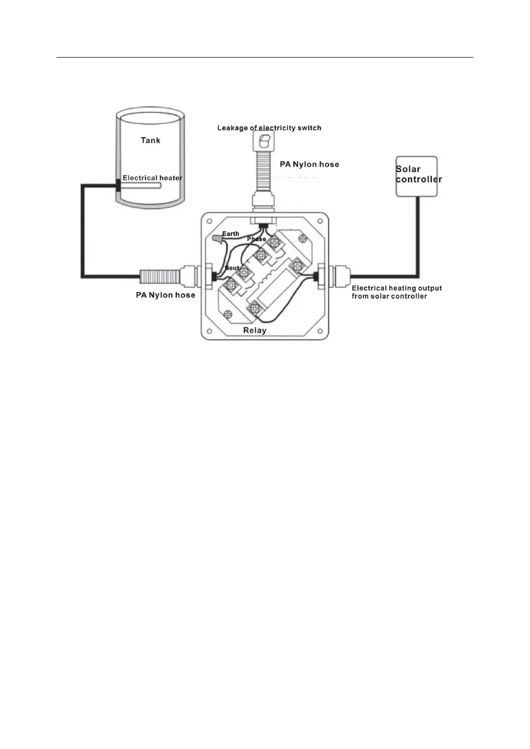
SR802 CONNECTION DIAGRAM:

Table of Contents