EasyManua.ls Logo

Superior DRT4036TEN - Page 34

Superior DRT4036TEN
44 pages
Print Icon
To Next Page IconTo Next Page
To Next Page IconTo Next Page
To Previous Page IconTo Previous Page
To Previous Page IconTo Previous Page
Loading...
www.SuperiorFireplaces.US.com
126721-01A34
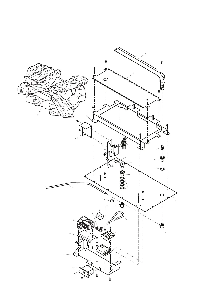
PARTS
BURNER ASSEMBLY MODELS DRT4036TEN, DRT4036TEP, DRT4042TEN AND
DRT4042TEP
8
15
1
2
3
4
5
7
24
6
9
4
5
10
16
14
12
13
17
25
13
11
18
19
22
23
20
21

Related product manuals