EasyManua.ls Logo

Suzuki DF9,9 - Ignition System Principles

Suzuki DF9,9
320 pages
Print Icon
To Next Page IconTo Next Page
To Next Page IconTo Next Page
To Previous Page IconTo Previous Page
To Previous Page IconTo Previous Page
Loading...
3-2 IGNITION AND ELECTRICAL
IGNITION SYSTEM
PRINCIPLES OF OPERATION
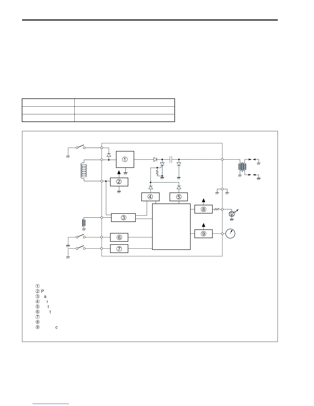
A digital CDI (condenser discharge ignition) system is employed on the DF9.9/DF15.
The condenser built in the CDI unit stores the electrical energy generated by the condenser charge coil.
The electrical energy stored in the condenser is released to the ignition coil primary windings by the ignition
timing signal calculated by the CDI microcomputer from the pulser coil signals.
SPECIFICATION
Ignition type CDI
Advance Electronic microcomputer control
Ignition timing ATDC 5° – BTDC 30°
Power source circuit (Charging circuit)
Power source circuit
!
Base signal circuit
"
Hardware ignition signal circuit
#
Software ignition signal control circuit
$
Input circuit
%
Input circuit
&
Output circuit
'
Output circuit
Engine stop switch
Condenser
charge coil
Pulser coil
Caution lamp
Tachometer
Ignition coil
Neutral switch
Oil pressure
switch
SCR
CPU

Table of Contents

Related product manuals