EasyManua.ls Logo

Swift Group Basecamp 2018 - Water System

Swift Group Basecamp 2018
159 pages
Print Icon
To Next Page IconTo Next Page
To Next Page IconTo Next Page
To Previous Page IconTo Previous Page
To Previous Page IconTo Previous Page
Loading...
SERVICES
38
WATER SYSTEM
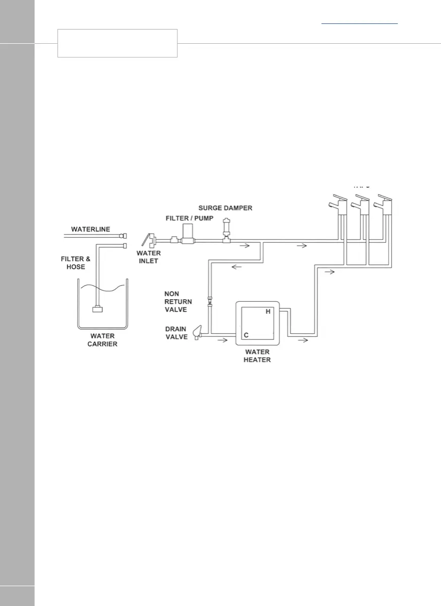
Water system- Introduction
All Swift Group caravans water systems have
been designed around a pump fitted within
the caravan. This pump draws water from an
external source, to provide water pressure
within the caravan, whenever it is switched on
and water is available.
The schematic below shows the basic
configuration of the water system with inboard
pump and no internal water tank:
When power is supplied to the pump, it will
draw water from the external container through
the water inlet mounted on the side of the
caravan, and pump it to the caravan taps,
shower and water heater.
The pump is fitted with its own pressure
switch, and the pump will continue to pump
water, until the pressure of water on the output
of the pump reaches a pre-set level. For this
pressure to be achieved, the taps must be
closed.
When the taps are opened, water will leave
the tap via the spout, and the pressure in the
pipes between the pump and the taps will
reduce. Because of this reduction in pressure,
the pressure switch on the pump will switch
back on and the pump will again run to pump
more water.
Close to the pump, the water under pressure
is split into two paths:
1. Through blue water pipes routed directly to
the cold connection of each tap.
2. To the water heater.
Water from the pump enters the bottom of the
water heater. Once the water fills the water
heater (approx 8.5 litres), water then leaves the
water heater via a connection at the top of that
water heater. This water, which is still under
pressure, then routes to the hot connection of
each tap via red pipes.
Back to section menu

Table of Contents

Related product manuals