EasyManua.ls Logo

Sym MAXSYM 400i - Page 75

Sym MAXSYM 400i
274 pages
Print Icon
To Next Page IconTo Next Page
To Next Page IconTo Next Page
To Previous Page IconTo Previous Page
To Previous Page IconTo Previous Page
Loading...
4. Fuel Injection System
4-30
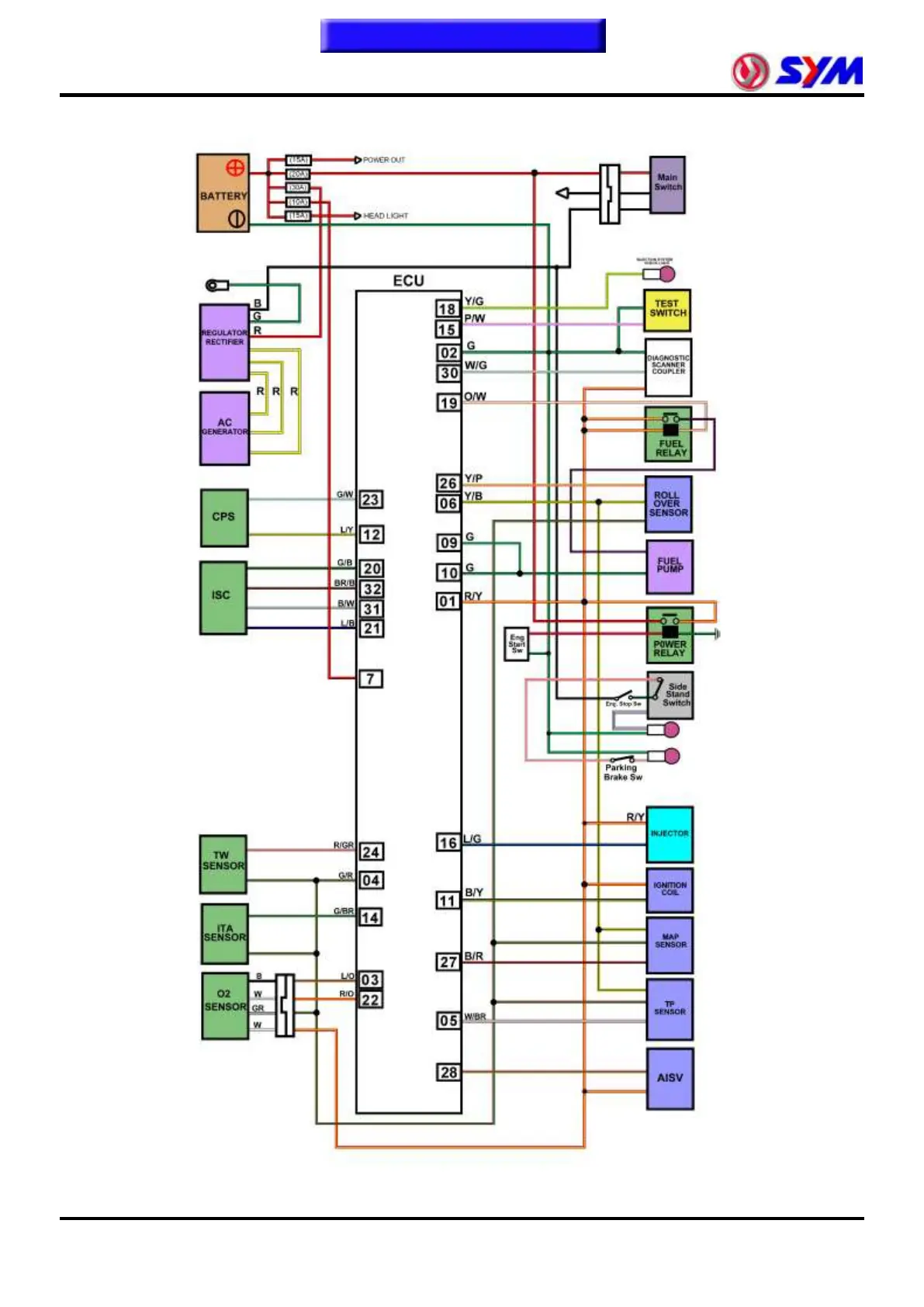
EFi System Circuit
To this chapter contents

Table of Contents

Related product manuals