EasyManua.ls Logo

Symphonic SC724FDF - Page 35

Symphonic SC724FDF
89 pages
Print Icon
To Next Page IconTo Next Page
To Next Page IconTo Next Page
To Previous Page IconTo Previous Page
To Previous Page IconTo Previous Page
Loading...
1-10-3
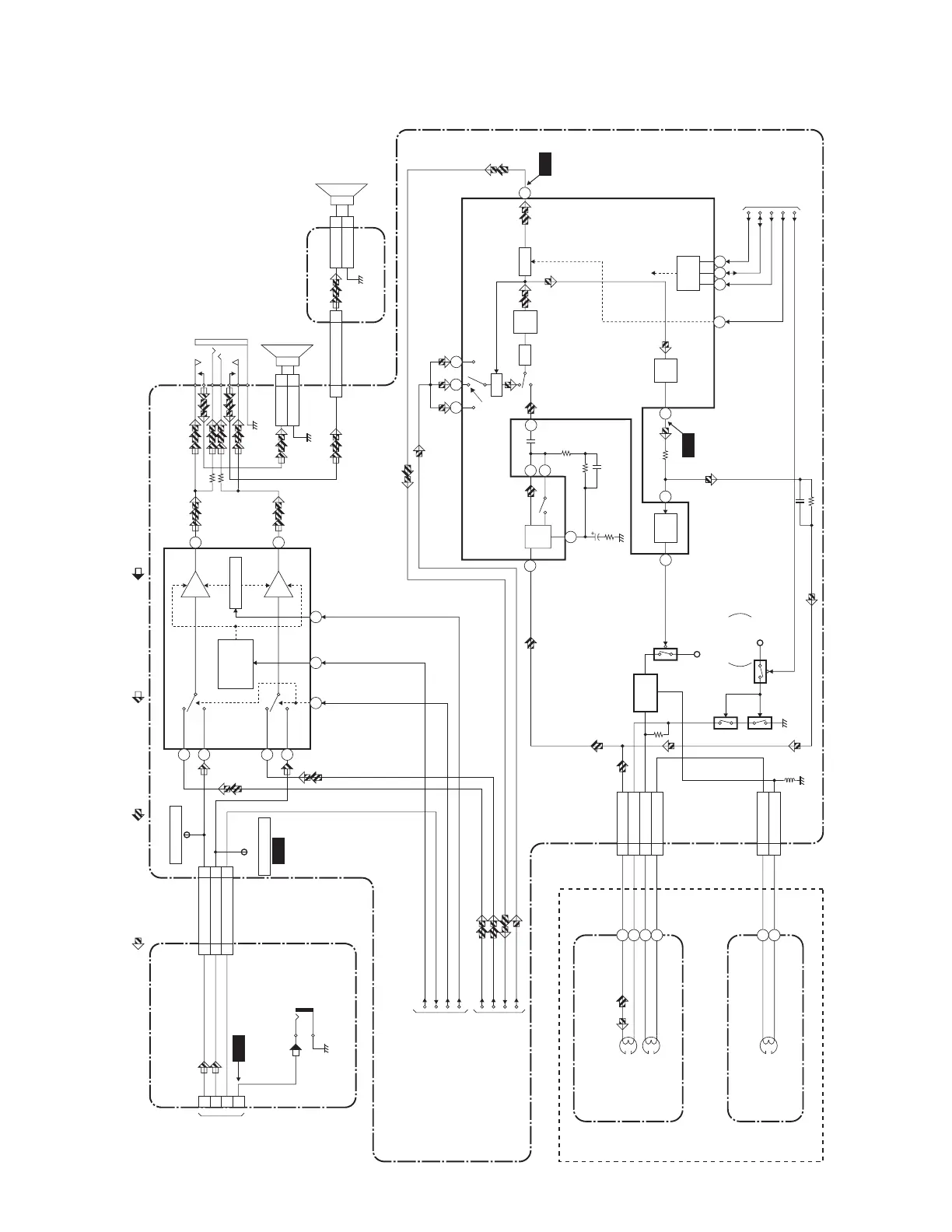
Audio Block Diagram
T2127BLA
REC
AMP
9
8
AUTO
BIAS
11
P-ON+5V
P-ON+5V
Q1871
BIAS
OSC
Q1872
Q1873
(PB=ON)
Q1874
(PB=ON)
Q1875
SWITCHING
D-REC OFF
6
5
3
EQ
AMP
SP/LP-ON
P
R
ALC
REAR TUNER
FRONT
IC1401
(AUDIO SIGNAL PROCESS)
76
4 A-PB/REC
CL1402
CN1301CN2 CN2503
3 A-COM
1 AE-H
2 FE-H
AUDIO
HEAD
AUDIO
ERASE
HEAD
ACE HEAD ASSEMBLY
FE HEAD
(DECK ASSEMBLY)
1 FE-H
2 FE-H-GND
CL403
MAIN CBA
SUB CBA
Mode : SP/REC
D-REC-H
TO DVD
AUDIO
BLOCK
DIAGRAM
<DVD
SECTION>
CN2A
FULL
ERASE
HEAD
7880
4
LINE
AMP
LPF
MUTE
10
SERIAL
I/F
55 54 53
YCA-CS
YCA-SDA
YCA-SCL
58
AUDIO-MUTE
JK1801
HEADPHONE
JACK
SPEAKER
R-CH
CN1802
CN1803
SP1801
FUNCTION CBA
SPEAKER
L-CH
CN2801CN2401
SP801
SP(R)
1
SP-GND 2
SP(L) 1
SP-GND 2
44SP(L)
CL1802
CL2801
DVD-AUDIO-MUTE
SP-MUTE
15 15
DVD-AUDIO(R)
14
7
614
DVD-AUDIO(L)
TO Hi-Fi AUDIO
BLOCK DIAGRAM
16
5
9
16
DVD-AUDIO-MUTE
AUDIO-OUT(R)
AUDIO-OUT(L)
N-A-IN
N-A-OUT
JK2601
TP1002
WF19
WF20
TP1001
DVD-AUDIO-L
WF8
WF7
PB AUDIO SIGNAL
DVD AUDIO SIGNAL
REC AUDIO SIGNAL
DATA(AUDIO) SIGNAL
DIGITAL
A-OUT
(COXIAL)
DVD-AUDIO-R
TO SYSTEM
CONTROL/SERVO
BLOCK DIAGRAM
TO SYSTEM
CONTROL/SERVO
BLOCK DIAGRAM
2
11
IC1803 (AUDIO AMP)
7
VOLUME
14
1
AMP
AMP
MUTE
/STANDBY
CONTROL
3
6
8
DVD
DVD
VCR
VCR
(L-CH)
(R-CH)
212
DVD-H
VOLUME

Related product manuals