EasyManua.ls Logo

SystemAir SYSCROLL AIR CO/HP 40-75

SystemAir SYSCROLL AIR CO/HP 40-75
64 pages
To Next Page IconTo Next Page
To Next Page IconTo Next Page
To Previous Page IconTo Previous Page
To Previous Page IconTo Previous Page
Loading...
16
4 - Installation
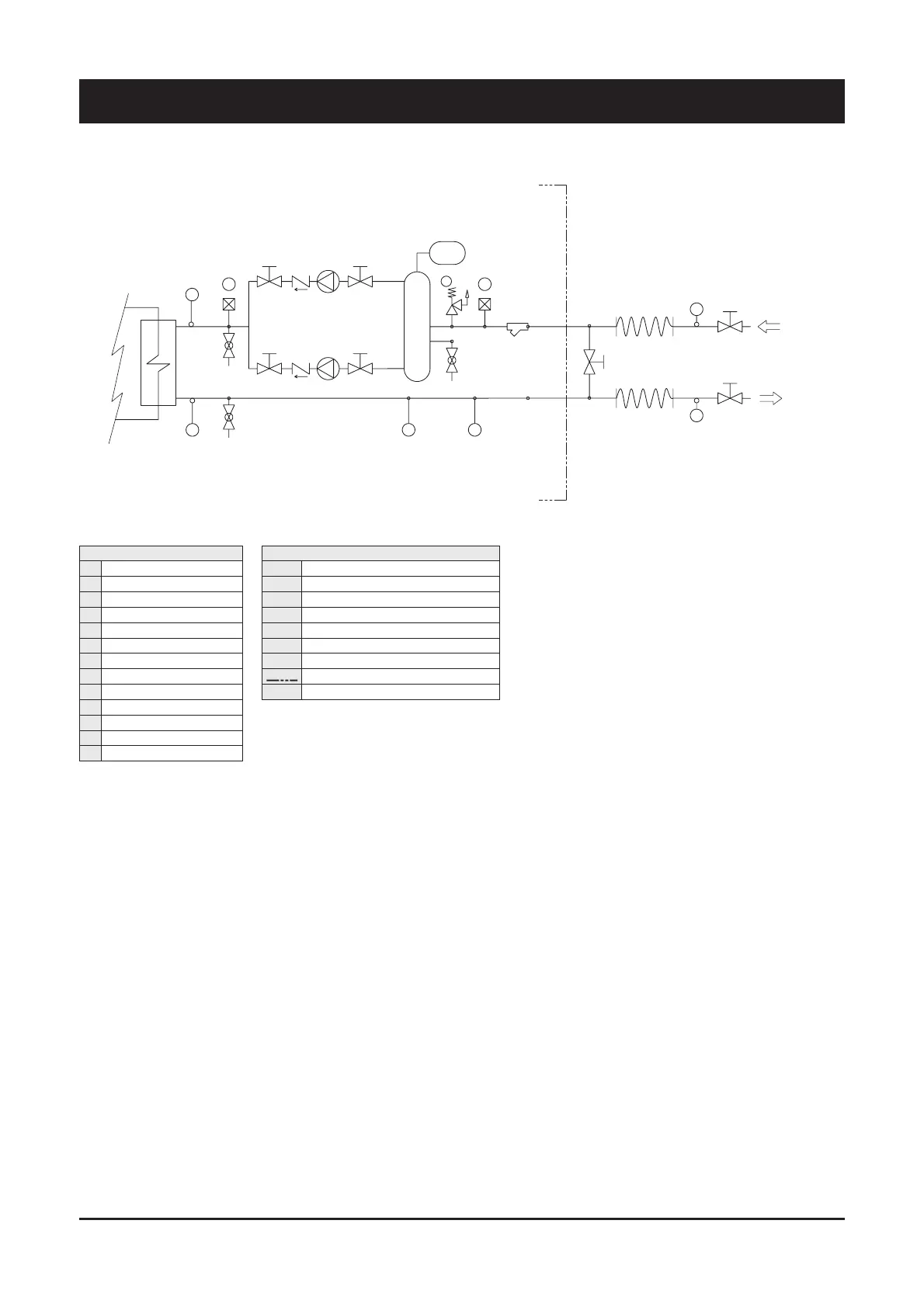
External water circuit - 2 Pump + tank
4
Y
3
D
7
1
B
A
10
5
G
G
9
11
11
12
12
13
INLET
OUTLET
FS
I
8
E
D
8
2
2
11 11
1111
6
6
COMPONENTS
1 Plate heat exchanger
2 Pump
3 Draining valve
4 Water buffer tank
5 Water filter
6 Non-return valve
7 Pressure expansion tank
8 Pressure point/drain valve
9 Water outlet
10 Water inlet
11 Globe valve
12 Flexible pipes
13 By-pass valve
SAFETY/CONTROL DEVICES
A Inlet water temperature sensor
B Outlet water temperature sensor
D Vent valve (105 mbar)
E Water safety valve (3 bar)
FS Flow switch
G Thermometer
I Hydrometer
Unit side
Y Water drain

Related product manuals