EasyManua.ls Logo

SystemAir SYSCROLL AIR CO/HP 40-75

SystemAir SYSCROLL AIR CO/HP 40-75
64 pages
To Next Page IconTo Next Page
To Next Page IconTo Next Page
To Previous Page IconTo Previous Page
To Previous Page IconTo Previous Page
Loading...
34
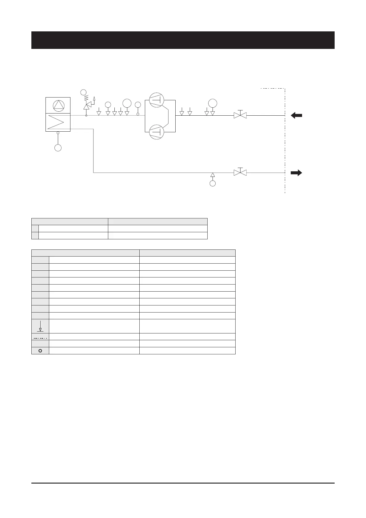
Refrigerant flow diagram - SyScroll Air RE 40 to 75 - R410A
8 - Product Description
SAFETY / CONTROL DEVICES HAZARD CATEGORY / EVALUATION MODULE
A High pressure switch (40.5 bar) 4 / mod. B+D
AT High pressure transducer
BT Low pressure transducer
D Air temperature sensor
G Safety valve (45 bar) 4 / mod. H1
M Discharge temperature sensor
S 5/16" SAE Schrader valve (charging point)
SH 5/16" SAE high pressure Schrader valve
SL 5/16" SAE low pressure Schrader valve
Pipe connection with Schrader valve 1/4" SAE
Unit side
------- Optional
Probes
COMPONENTS VESSEL CATEGORY (2)/EVALUATION MODULE
1 Compressor tandem scroll type 2 / mod. D1
2 Air cooled condenser
A
G
SH
INLET
OUTLET
SL
BT
S
D
1
OIL EQUAL.
2
AT
M
SyScroll Air RE R410A (Fluid group 2):

Related product manuals