EasyManua.ls Logo

SystemAir SYSCROLL AIR CO/HP 40-75

SystemAir SYSCROLL AIR CO/HP 40-75
64 pages
To Next Page IconTo Next Page
To Next Page IconTo Next Page
To Previous Page IconTo Previous Page
To Previous Page IconTo Previous Page
Loading...
33
English
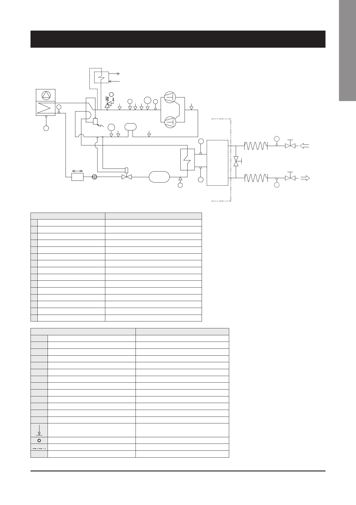
Refrigerant flow diagram - SyScroll Air HP 40 to 75 - R410A
8 - Product Description
SAFETY/CONTROL DEVICES HAZARD CATEGORY / EVALUATION MODULE
A High pressure switch (40.5 bar) 4 / mod. B+D
AT High pressure transducer
BT Low pressure transducer
D Air temperature sensor
E Outlet water temperature sensor
F Inlet water temperature sensor
G PED safety valve (45 bar) 4 / mod. H1
H Defrost temperature sensor
M Discharge temperature sensor
S 5/16" SAE Schrader valve (charging point)
SH 5/16" SAE high pressure Schrader valve
SL 5/16" SAE low pressure Schrader valve
I Thermometer
Pipe connection with Schrader valve 1/4" SAE
Probes
Unit side
----- Optional parts
COMPONENTS VESSEL CATEGORY (2)/EVALUATION MODULE
1 Compressor tandem scroll type 2 / mod. D1
2 4-way valve
3 Air cooled condenser
4 Biflow filter drier
5 Sight glass
6 Biflow thermostatic expansion valve
7 Liquid receiver 2 / mod. D1
8 Suction accumulator 2 / mod. D1
9 Plate heat exchanger 2 (sizes 60 to 75) / mod. B+D
10 Water inlet
11 Water outlet
12 In/Out valve
13 By-pass valve
14 Flexible pipes
15 Desuperheater (optional)
3
2
OFF
H
4
5
6
G
7
9
BT
SL
SH
AT
A
OIL EQUAL.
1
S
F
E
D
M
HYDRAULIC
CIRCUIT
13
10
I
I
11
12
12
14
14
INLET
OUTLET
15
8
SyScroll Air HP R410A (Fluid group 2):

Related product manuals