EasyManua.ls Logo

SystemAir SYSCROLL AIR CO/HP 40-75

SystemAir SYSCROLL AIR CO/HP 40-75
64 pages
To Next Page IconTo Next Page
To Next Page IconTo Next Page
To Previous Page IconTo Previous Page
To Previous Page IconTo Previous Page
Loading...
32
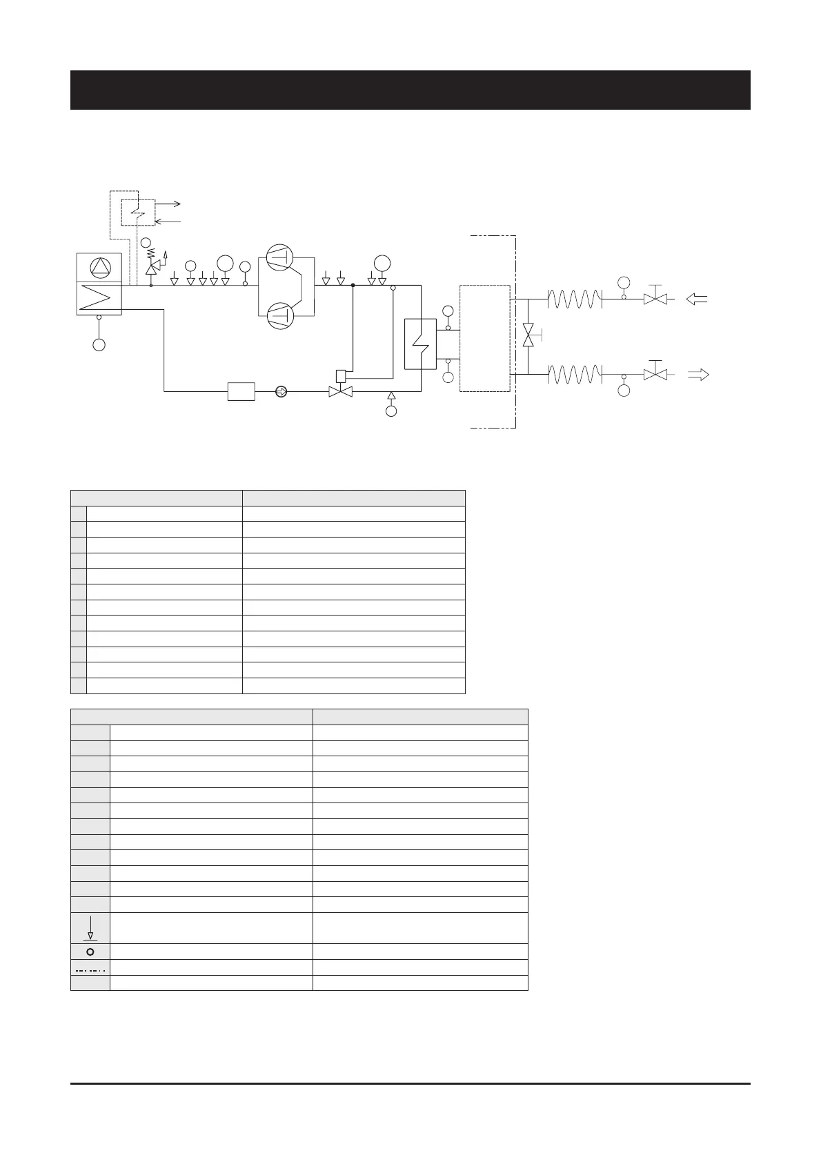
8 - Product Description
SyScroll Air CO R410A (Fluid group 2):
SAFETY/CONTROL DEVICES HAZARD CATEGORY / EVALUATION MODULE
A High pressure switch (40.5 bar) 4 / mod. B+D
AT High pressure transducer
BT Low pressure transducer
D Air temperature sensor
E Inlet water temperature sensor
F Outlet water temperature sensor
G Safety valve (45 bar) 4 / mod. H1
M Discharge temperature sensor
S 5/16" SAE Schrader valve (charging point)
SH 5/16" SAE high pressure Schrader valve
SL 5/16" SAE low pressure Schrader valve
H Thermometer
Pipe connection with Schrader valve 1/4" SAE
Probes
Unit side
----- Optional parts
COMPONENTS VESSEL CATEGORY (2)/EVALUATION MODULE
1 Compressor tandem scroll type 2 / mod. D1
2 Air cooled condenser
3 Filter drier
4 Sight glass
5 Thermostatic expansion valve
6 Plate heat exchanger 2 (sizes 60 to 75) / mod. B+D
7 Water inlet
8 Water outlet
9 In/Out valve
10 Flexible pipes
11 By-pass valve
12 Desuperheater (optional)
2
3
4
5
6
SH
AT
A
OIL EQUAL.
1
SL
BT
S
M
D
OUTLET
INLET
10
10
9
9
8
H
H
7
11
HYDRAULIC
CIRCUIT
G
E
F
12
8.3 Refrigerant flow diagram - SyScroll Air CO 40 to 75 - R410A

Related product manuals