EasyManua.ls Logo

tae TA Series - TA-U110 Circuit Diagram

tae TA Series
86 pages
Print Icon
To Next Page IconTo Next Page
To Next Page IconTo Next Page
To Previous Page IconTo Previous Page
To Previous Page IconTo Previous Page
Loading...
Instruction and Operating Manual
TA-U1...U280
Misprints and technical changes reserved
30
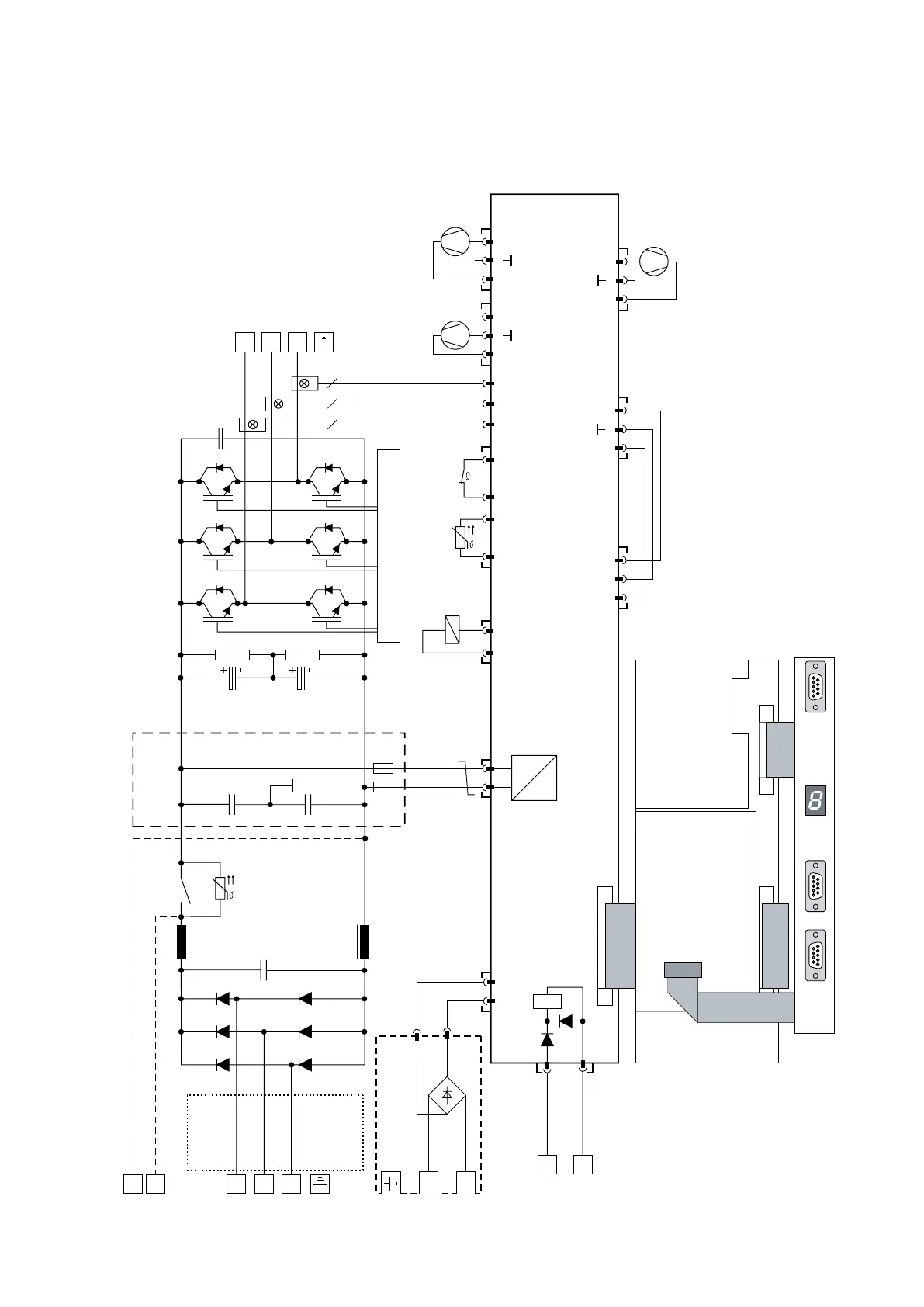
3.4.4 TA-U110
DC
DC
GL1
L1
34
L1
21
X15
4
1
L-
L+
X12
1234
X1
X4
X1
PowerStage
Displayboard
31
X13
24VDC
X34
123
+24V
-24V
E3
capacitor
4A 4A
-
+
L2
L3
L1
U
X6
123
+24V
-24V
X22
123
W
V
K1
X9
X10
X11
4
4
4
EXT
rd
bk
X33
123
+24V
-24V
E1
Heatzink
Top
rd
bk
X35
123
+24V
-24V
E2
Heatzink
Bottom
rd
bk
rt
O
p
tion
12
X8
+
-
48 VDC
K1
41
1L2
1L1
X14
-
+
41
Powerstage (IGBT-Control)
rd
bk
bu
1 - 4; wh,bu,gn,bn
1 - 4; wh,bu,gn,bn
1 - 4; wh,bu,gn,bn
Charge resistor
Thermal switch
heatzink
IGBT- Top
PT100
wh
rd
ye
ye
bn
bk
bu
wh
EMC-Filter
CPU-Controlboard
Digital analog
boards
& Bus systems
DC-Bussfilter
Safe Stop
og
bk
Option Ext.
Elektronic supply
bk
bn

Table of Contents

Related product manuals