EasyManua.ls Logo

Tait TB7100 - Page 154

Tait TB7100
370 pages
Print Icon
To Next Page IconTo Next Page
To Next Page IconTo Next Page
To Previous Page IconTo Previous Page
To Previous Page IconTo Previous Page
Loading...
156 Frequency Synthesizer Fault Finding TB7100 Service Manual
© Tait Electronics Limited October 2005
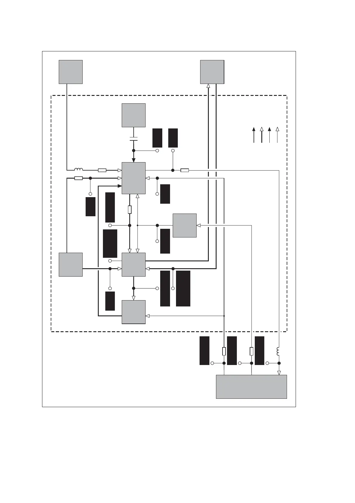
Figure 11.5 Test and measurement points for the synthesizer PLL and loop filter
FEEDBACK
VOLTAGE
PIN 6 OF IC505
FEEDBACK
VOLTAGE
PIN
6 OF IC505
PIN16OF
IC503
PIN 16 OF
IC503
PIN5OF
IC505
PIN 5 OF
IC505
PIN8OF
IC503
PIN 8 OF
IC503
PIN14OF
IC503
PIN 14 OF
IC503
PIN10OF
IC503
PIN 10 OF
IC503
COLLECTOR
OF Q505
COLLECTOR
OF
Q505
OUTPUT OF LOOP
FILTER AT C565
OUTPUT OF LOOP
FILTER AT C565
TP503
(JUNCTION OF
R566 AND R570)
TP503
(JUNCTION
OF
R566 AND
R570)
SIGNALTYPES
RF
ANALOG
CLOCK
DIGITAL
PLL
LOOP
FILTER
AND
SUMMER
FILTERING
OF SUPPLY
FOR PLL
AND LOOP
FILTER
FCL
VCO
CIRCUITRY
FREQUENCY
SYNTHESIZER
PLL FEEDBACK
CODEC
AND AUDIO
CIRCUITRY
DIGITAL
BOARD
DIG SYN FAST
SYN LOCK
DIG SYN EN
INVERTER
VIA TO CHECK
DIG SYN FAST
VIA TO CHECK
DIG
SYN FAST
VIA TO CHECK
DIG SYN EN
VIA TO CHECK
DIG
SYN EN
VIA TO CHECK
SYN LOCK
VIA TO CHECK
SYN
LOCK
R105
R104
JUNCTION OF
C541 AND R547
JUNCTION OF
C541 AND
R547
R549
R544
+3V0 AN
L506
3V
SUPPLY
R568
R542
L102
REFERENCE
FREQUENCY
C536
SYN CDC LFV
CDC VCO MOD
SUPPLY FOR CHARGE PUMP
REFERENCE
VOLTAGE
OUTPUT
PLL
LOOP
VOLTAGE

Table of Contents

Other manuals for Tait TB7100

Related product manuals