EasyManua.ls Logo

Tait TM8110 - Page 469

Tait TM8110
578 pages
Print Icon
To Next Page IconTo Next Page
To Next Page IconTo Next Page
To Previous Page IconTo Previous Page
To Previous Page IconTo Previous Page
Loading...
TM8100/TM8200 Service Manual TMAA01-01 Line-Interface Board 469
© Tait Electronics Limited June 2006
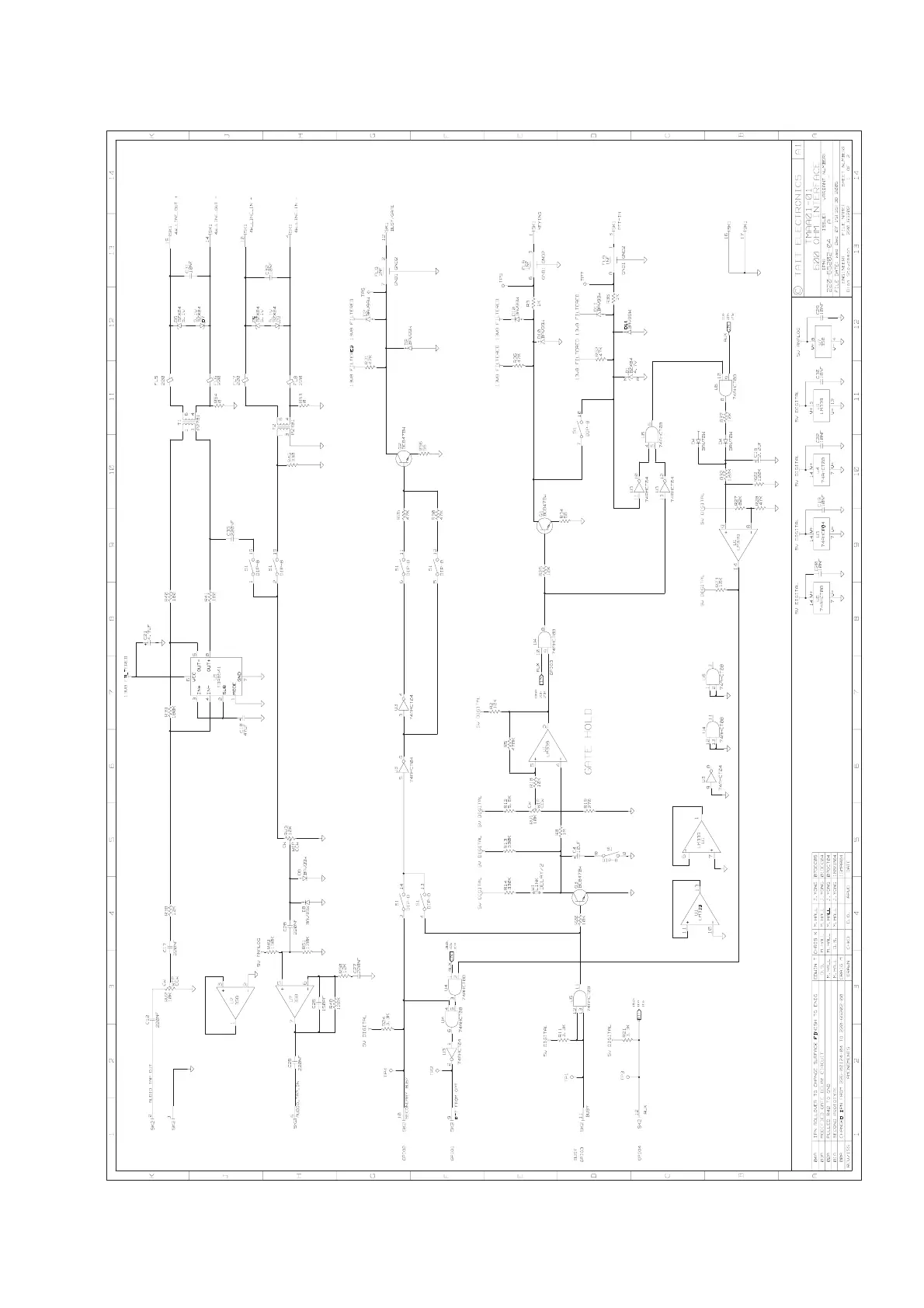
17.9.5 Line-Interface Board Circuit Diagram

Table of Contents

Other manuals for Tait TM8110

Related product manuals